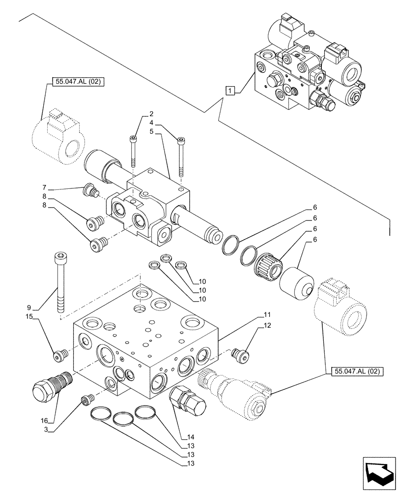
Запчасти Case IH PUMA 185 (41.432.AE[02]) - VAR - 337468, 337469, 758268, 758269, 758272, 758273, 758276, 758277 - STEERING VALVE, COMPONENTS (41) - STEERING

Схема запчастей Case IH PUMA 185 - (41.432.AE[02]) - VAR - 337468, 337469, 758268, 758269, 758272, 758273, 758276, 758277 - STEERING VALVE, COMPONENTS (41) - STEERING
55.047.al (02)
7
10
6
8
8
1
14
13
3
10
13
6
5
6
4
6
15
16
11
12
10
13
9
2
55.047.al (02)
FIT
1:1
100%

Артикул

Название

Примечание

Количество

1

47643769

VALVE SECTION

Autoguidance, ASSY, Incl 2 - 16

1шт.

2

14304731

SCREW,M5 x 50mm, Cl 10.9

1шт.

3

84289782

PLUG

1шт.

4

14304871

HEX SOC SCREW,M6 x 55mm, Cl 12.9

3шт.

5

87696384

PILOT VALVE

1шт.

6

84160386

SEAL

1шт.

7

86632547

PLUG,Hex, 5/16"-24 ORB

1шт.

8

84289783

PLUG,Hex, 3/8" - 19

4шт.

9

84160398

BOLT,Hex, #10 - 32 x 90mm, Cl 12.9

2шт.

10

84160427

SEAL

Seals

1шт.

11

47662983

HYDRAULIC MANIFOLD

1шт.

12

84289784

PLUG

3шт.

13

84160425

SEAL

1шт.

14

84180623

VALVE PRESSURE RELIE

1шт.

15

278548

PLUG,Hex, 7/16"-20 ORB

1шт.

16

84160409

SHUT-OFF VALVE

1шт.

Выбрано товаров: 16