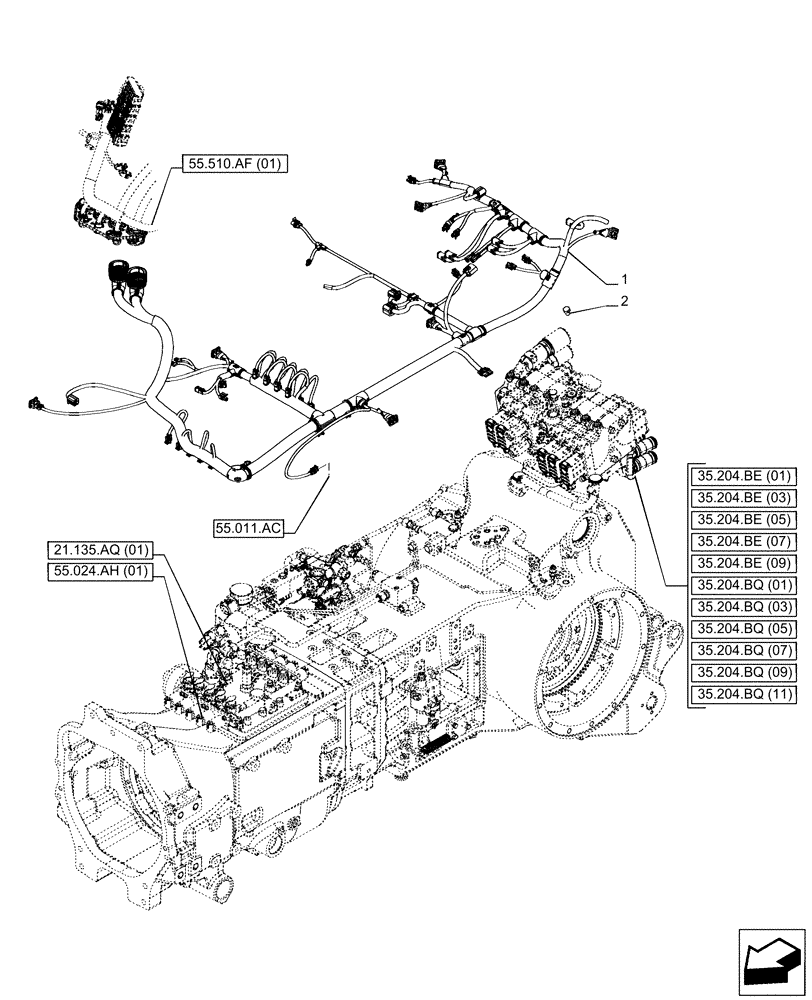
Запчасти Case IH PUMA 185 (55.024.AA[01]) - VAR - 391161, 758056 - TRANSMISSION, HARNESS (55) - ELECTRICAL SYSTEMS

Схема запчастей Case IH PUMA 185 - (55.024.AA[01]) - VAR - 391161, 758056 - TRANSMISSION, HARNESS (55) - ELECTRICAL SYSTEMS
35.204.be (05)
35.204.bq (09)
21.135.aq (01)
35.204.be (09)
35.204.be (03)
35.204.bq (11)
1
35.204.bq (07)
2
55.510.af (01)
35.204.bq (05)
35.204.bq (01)
35.204.be (01)
35.204.be (07)
55.011.ac
55.024.ah (01)
35.204.bq (03)
FIT
1:1
100%

Артикул

Название

Примечание

Количество

1

47357343

WIRE HARNESS

Transmission (for 120 l/Min & 150 l/Min Pump)

1шт.

For Models W/ Electrohydraulic Rear Remotes (Industrial Var. 332476, 332524)

1шт.

1

47357344

WIRE HARNESS

Transmission (for 120 l/Min & 150 l/Min Pump)

1шт.

For Models W/ Mechanical Rear Remotes (Industrial Var. 332479, 392161)

1шт.

2

15970521

BOLT,Hex, M10 x 1.25 x 20mm, Cl 8.8, Full Thd

1шт.

Выбрано товаров: 5