Запчасти Case IH PUMA 185 (21.105.BL[01]) - VAR - 391161, 758056 - TRANSMISSION, LUBRICATION LINE (21) - TRANSMISSION

Схема запчастей Case IH PUMA 185 - (21.105.BL[01]) - VAR - 391161, 758056 - TRANSMISSION, LUBRICATION LINE (21) - TRANSMISSION
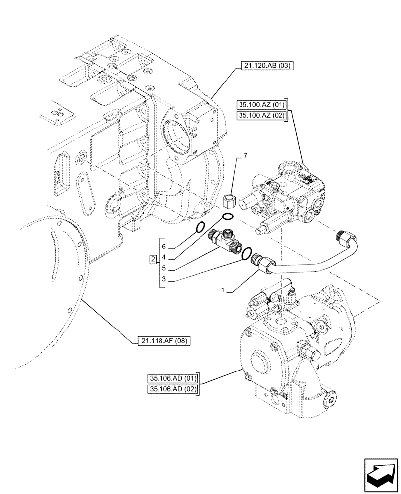
21.118.af (08)
1
5
2
7
3
4
6
35.100.az (01)
21.120.ab (03)
35.106.ad (02)
35.106.ad (01)
35.100.az (02)
FIT
1:1
100%

Артикул

Название

Примечание

Количество

1

84597338

PIPE

1шт.

2

47136372

HYD CONNECTOR,M22 x 1.5 x 88.5mm L

ASSY, Incl 3 - 6

1шт.

3

5185512

O-RING,0.07" Thk x 0.614" ID, -16, Cl 6, 90 Duro

1шт.

4

14438085

O-RING,19.3mm ID x 2.4mm

1шт.

5

NSS

NOT SOLD SEPARAT

Fitting, Incl in 2

1шт.

6

5185511

O-RING,1.78mm Thk x 12.42mm ID, 85 Duro

1шт.

7

9840575

CAP,13/16" - 16 ORFS

1шт.

Выбрано товаров: 7