Запчасти Case IH PUMA 185 (21.109.AD[01]) - VAR - 337426, 337428, 337429, 337430, 337431, 337432, 391137, 758017, 758018, 758019, 758020, 758021, 759052 - TRANSMISSION, OIL COOLER, LINE (21) - TRANSMISSION

Схема запчастей Case IH PUMA 185 - (21.109.AD[01]) - VAR - 337426, 337428, 337429, 337430, 337431, 337432, 391137, 758017, 758018, 758019, 758020, 758021, 759052 - TRANSMISSION, OIL COOLER, LINE (21) - TRANSMISSION
21.109.ad (02)
2
1
21.135.aq (01)
21.120.ab (01)
FIT
1:1
100%

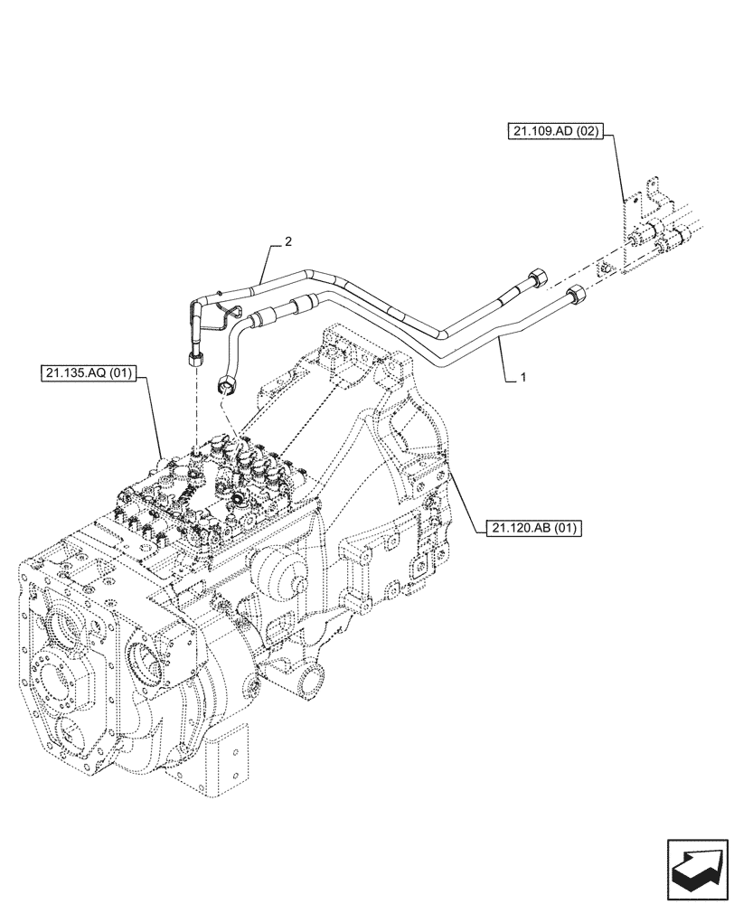
Артикул

Название

Примечание

Количество

1

47603630

PIPE

Oil Cooler Return

1шт.

2

47832089

PIPE

Oil Cooler Supply

1шт.

Выбрано товаров: 0