Запчасти Case IH PUMA 185 (21.182.AF[01]) - VAR - 337426, 337427, 337428, 337429, 337430, 337431, 337432, 337433, 338397, 391137, 391138, 758017, 758018, 758019, 758020, 758021, 758022, 758868, 758869, 758870, 759052, 759053 - TRANSMISSION (21) - TRANSMIS

Схема запчастей Case IH PUMA 185 - (21.182.AF[01]) - VAR - 337426, 337427, 337428, 337429, 337430, 337431, 337432, 337433, 338397, 391137, 391138, 758017, 758018, 758019, 758020, 758021, 758022, 758868, 758869, 758870, 759052, 759053 - TRANSMISSION (21) -
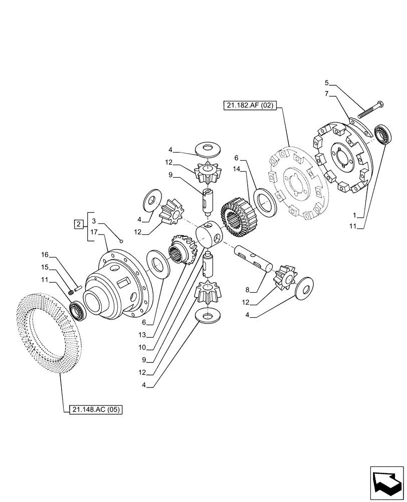
21.148.ac (05)
9
7
15
6
12
11
13
12
4
17
12
2
16
10
1
11
4
4
8
4
12
9
21.182.af (02)
3
5
14
6
FIT
1:1
100%

Артикул

Название

Примечание

Количество

1

5185921

COVER

1шт.

2

5185965

HOUSING

ASSY, Incl 3

1шт.

3

20063460

BALL,7.14mm OD, Gr 100

7.144

1шт.

4

5196109

THRUST WASHER,30mm ID x 66mm OD x 1.47mm Thk

4шт.

5

16214730

BOLT,Hex, M14 x 1.5 x 55mm, Cl 10.9

12шт.

6

5197522

THRUST WASHER,69mm ID x 95mm OD x 3.3mm Thk

2шт.

6

5197534

THRUST WASHER,69mm ID x 95mm OD x 2.7mm Thk

1шт.

6

5197533

THRUST WASHER,69mm ID x 95mm OD x 2.75mm Thk

1шт.

6

5197532

THRUST WASHER,69mm ID x 95mm OD x 2.8mm Thk

1шт.

6

5197531

THRUST WASHER,69mm ID x 95mm OD x 2.85mm Thk

1шт.

6

5197530

THRUST WASHER,69mm ID x 95mm OD x 2.9mm Thk

1шт.

6

5197529

THRUST WASHER,69mm ID x 95mm OD x 2.95mm Thk

1шт.

6

5197528

THRUST WASHER,69mm ID x 95mm OD x 3mm Thk

1шт.

6

5197527

THRUST WASHER,69mm ID x 95mm OD x 3.05mm Thk

1шт.

6

5197526

THRUST WASHER,69mm ID x 95mm OD x 3.1mm Thk

1шт.

6

5197525

THRUST WASHER,69mm ID x 95mm OD x 3.15mm Thk

1шт.

6

5197524

THRUST WASHER,69mm ID x 95mm OD x 3.2mm Thk

1шт.

6

5197523

THRUST WASHER,69mm ID x 95mm OD x 3.25mm Thk

1шт.

6

87748552

THRUST WASHER,69mm ID x 95mm OD x 3.5mm Thk

1шт.

6

87748553

THRUST WASHER,69mm ID x 95mm OD x 3.45mm Thk

1шт.

6

87748554

THRUST WASHER,69mm ID x 95mm OD x 3.4mm Thk

1шт.

6

87748555

THRUST WASHER,69mm ID x 95mm OD x 3.35mm Thk

1шт.

7

5185928

PLATE

6шт.

8

87495653

PIN,29.96mm OD x 203mm L

1шт.

9

87495654

PIN,29.96mm OD x 97mm L

2шт.

10

5185931

SUPPORT

1шт.

11

24903700

ROLLER BEARING,90mm ID x 140mm OD x 32mm W

90 x 140 x 32

2шт.

12

5186409

PINION

4шт.

13

5186410

PINION,28T

1шт.

14

5186411

PINION,28T

1шт.

15

13809770

SET SCREW,Hex Soc, M10 x 22mm, Flat Pt

2шт.

16

14516820

DOWEL,M7 x 75

2шт.

17

NSS

NOT SOLD SEPARAT

Housing, Incl in 2

1шт.

Выбрано товаров: 33