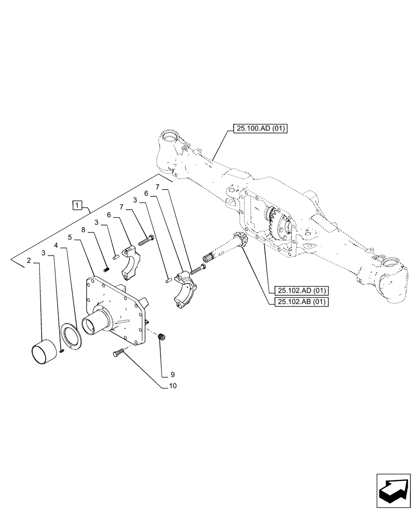
Запчасти Case IH PUMA 185 (25.102.AC[01]) - VAR - 391157 - 4WD FRONT AXLE, DIFFERENTIAL CARRIER (25) - FRONT AXLE SYSTEM

Схема запчастей Case IH PUMA 185 - (25.102.AC[01]) - VAR - 391157 - 4WD FRONT AXLE, DIFFERENTIAL CARRIER (25) - FRONT AXLE SYSTEM
25.102.ab (01)
1
7
6
4
8
3
9
10
3
5
2
3
6
7
25.102.ad (01)
25.100.ad (01)
FIT
1:1
100%

Артикул

Название

Примечание

Количество

1

84565055

CARRIER,Bevel Gear

ASSY, Incl 2 - 8

1шт.

2

5136116

BUSHING,105mm ID x 115.56mm OD x 72mm L

1шт.

3

4966244

PIN,5mm OD x 15mm L

4шт.

4

5136115

RING,105.3mm ID x 148mm OD x 5mm Thk

1шт.

5

NSS

NOT SOLD SEPARAT

Support, Incl in 1

1шт.

6

NSS

NOT SOLD SEPARAT

Keep, Incl in 1

2шт.

7

14255334

SCREW,Hex, M14 x 1.5 x 75mm, Cl 10.9

4шт.

8

13798231

SET SCREW,Hex Skt, M6 x 25mm, Cl 10.9, Full Thd, Cone Pt

1шт.

9

5110423

RING NUT

1шт.

10

14254734

LOCK BOLT,Hex, M14 x 1.5 x 45mm, Cl 10.9

14шт.

Выбрано товаров: 10