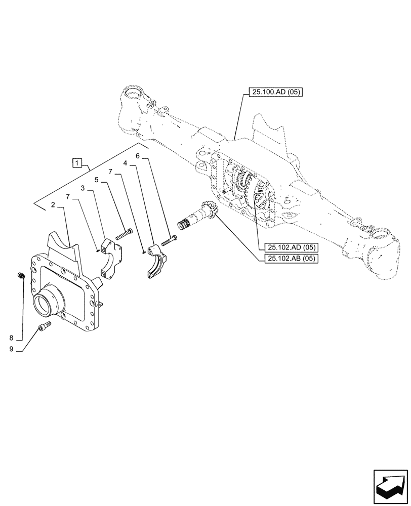
Запчасти Case IH PUMA 185 (25.102.AC[06]) - VAR - 337416 - SUSPENDED FRONT AXLE, W/ BRAKE, DIFFERENTIAL CARRIER (25) - FRONT AXLE SYSTEM

Схема запчастей Case IH PUMA 185 - (25.102.AC[06]) - VAR - 337416 - SUSPENDED FRONT AXLE, W/ BRAKE, DIFFERENTIAL CARRIER (25) - FRONT AXLE SYSTEM
25.102.ad (05)
1
8
3
2
7
6
5
4
7
9
25.100.ad (05)
25.102.ab (05)
FIT
1:1
100%

Артикул

Название

Примечание

Количество

1

84565069

SUPPORT

ASSY, Incl 2 - 6

1шт.

2

NSS

NOT SOLD SEPARAT

Support, Incl in 1

1шт.

3

NSS

NOT SOLD SEPARAT

Keep, Incl in 1

1шт.

4

NSS

NOT SOLD SEPARAT

Keep, Incl in 1

1шт.

5

14255734

SCREW,Hex, M14 x 1.5 x 90mm, Cl 10.9

2шт.

6

14255334

SCREW,Hex, M14 x 1.5 x 75mm, Cl 10.9

2шт.

7

4966244

PIN,5mm OD x 15mm L

2шт.

8

10268350

PLUG

1шт.

9

14313734

HEX SOC SCREW,M16 x 1.5 x 40mm, Cl 10.9

6шт.

Выбрано товаров: 9