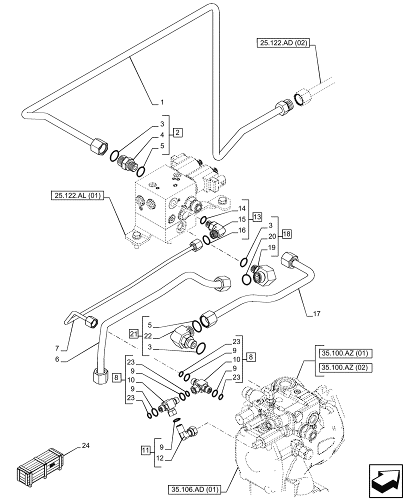
Запчасти Case IH PUMA 185 (25.122.AD[01]) - VAR - 332416, 391168, 758048, 758049, 758064, 758065, 758066 - SUSPENDED FRONT AXLE, CONTROL VALVE LINE, POWERSHIFT (25) - FRONT AXLE SYSTEM

Схема запчастей Case IH PUMA 185 - (25.122.AD[01]) - VAR - 332416, 391168, 758048, 758049, 758064, 758065, 758066 - SUSPENDED FRONT AXLE, CONTROL VALVE LINE, POWERSHIFT (25) - FRONT AXLE SYSTEM
25.122.al (01)
2
8
9
9
11
1
22
7
3
23
8
16
3
4
17
19
24
20
5
23
3
9
18
5
10
23
15
14
9
13
9
6
10
12
23
21
25.122.ad (02)
35.100.az (02)
35.106.ad (01)
35.100.az (01)
FIT
1:1
100%

Артикул

Название

Примечание

Количество

1

84597352

PIPE

Delivery Suspended Axle

1шт.

2

86579675

HYD CONNECTOR,13/16"-16 ORFS x M16 x 1.5 ORB

ASSY, Incl 3 (Qty 1), 4, 5

1шт.

3

9992298

O-RING,0.07" Thk x 0.489" ID, -14, Cl 6, 90 Duro

3шт.

4

NSS

NOT SOLD SEPARAT

Connector, Incl in 2

1шт.

5

86598100

O-RING,2.2mm Thk x 13.3mm ID, Cl 6, 90 Duro

1шт.

6

47697912

PIPE

Discharge Valve

1шт.

7

47566525

PIPE

LS

1шт.

8

82018814

CHECK VALVE,9/16" - 18 JIC x 9/16" - 18 ORFS x 9/16" - 18 ORFS

ASSY, Incl 9 (Qty 2), 10

2шт.

9

81844850

O-RING,0.07" Thk x 0.301" ID, -11, Cl 6, 90 Duro

3шт.

10

NSS

NOT SOLD SEPARAT

Check Valve, Incl in 8

1шт.

11

84354806

HYD CONNECTOR,9/16"-18 ORFS x 9/16"-18

ASSY, Incl 9 (Qty 1), 12

1шт.

12

NSS

NOT SOLD SEPARAT

Elbow, Incl in 11

1шт.

13

84431522

ELBOW,90 Degree, 9/16"-18 ORFS x M12 x 1.5 ORB

ASSY, Incl 14 - 16

1шт.

14

9825770

O-RING,0.07" Thk x 0.301" ID, -11, Cl 6, 90 Duro

1шт.

15

NSS

NOT SOLD SEPARAT

Elbow, Incl in 13

1шт.

16

86598098

O-RING,2.2mm Thk x 9.3mm ID, Cl 6, 90 Duro

1шт.

17

47361068

PIPE

Valve

1шт.

18

86579689

ELBOW,90 Degree, 13/16" - 16 ORFS x M14 x 1.5 ORB

ASSY, Incl 3 (Qty 1), 19, 20

1шт.

19

NSS

NOT SOLD SEPARAT

Elbow, Incl in 18

1шт.

20

86598099

O-RING,2.2mm Thk x 11.3mm ID, Cl 6

1шт.

21

86599690

PANEL

ASSY, Incl 3 (Qty 1), 22, 23

1шт.

22

NSS

NOT SOLD SEPARAT

Elbow, Incl in 21

1шт.

23

86598100

O-RING,2.2mm Thk x 13.3mm ID, Cl 6, 90 Duro

1шт.

24

710560034

DIA KIT, TRACTOR

Electronic Mid Mount Kit, 2 Valves, Incl 8

1шт.

To See Full DIA KIT Composition Look for all the Figures Where the DIA KIT P/N Is Shown

1шт.

Выбрано товаров: 25