Запчасти Case IH PUMA 185 (31.114.AH[04]) - VAR - 338184, 758032 - PTO 540E/1000 RPM, HOUSING (31) - IMPLEMENT POWER TAKE OFF

Схема запчастей Case IH PUMA 185 - (31.114.AH[04]) - VAR - 338184, 758032 - PTO 540E/1000 RPM, HOUSING (31) - IMPLEMENT POWER TAKE OFF
31.114.ao (04)
4
16
11
2
18
10
22
17
15
13
23
6
7
19
3
24
25
5
9
20
12
8
21
14
1
31.114.af (01)
31.114.ab (04)
31.114.ab (04)
FIT
1:1
100%

Артикул

Название

Примечание

Количество

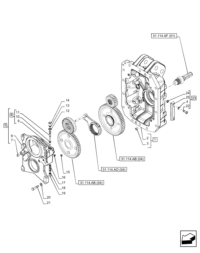
1

87558757

HOUSING

ASSY, Incl 2, 3

1шт.

2

87576362

HOUSING

1шт.

3

44908048

BUSHING,16mm OD x 14mm L

2шт.

4

87349969

RUBBER SEAL

2шт.

5

84295659

SUPPORT

ASSY, Incl 6 - 11

1шт.

6

NSS

NOT SOLD SEPARAT

Carrier, Incl in 5

1шт.

7

47127805

BUSHING,12mm ID x 14mm OD x 15mm L

1шт.

8

84271075

VALVE

ASSY, Incl 9 - 11

1шт.

9

13397370

SNAP RING,M8, Int

1шт.

10

84271074

SPACER,8mm ID x 15.6mm OD x 10mm L

1шт.

11

47128521

VALVE

1шт.

12

14453180

O-RING,12.42mm ID x 1.78mm

1шт.

13

5196030

PIN,20mm OD x 16.5mm L

1шт.

14

47127897

SNAP RING,M21.5, Ext

1шт.

15

10118540

PLUG,M10 x 1 x 11, Brass

2шт.

16

14437585

O-RING,8.00mm ID x 1.50mm

2шт.

17

84281722

SPRING,Compression, 15mm OD x 80mm L

1шт.

18

47127951

CAP COVER

1шт.

19

13420576

SNAP RING,M16, Int

1шт.

20

15540924

SCREW,Hex, M12 x 1.25 x 55mm, Cl 8.8

4шт.

21

11190774

BELLEVILLE WASHER,M12 Bolt Size x 24mm OD x 2.8mm Thk

4шт.

22

47130059

SCREW,Pan HD, M12 x 41mm

2шт.

23

87356021

LEVEL GAUGE

ASSY, Incl 24 - 27

1шт.

24

47130060

O-RING

2шт.

25

NSS

NOT SOLD SEPARAT

Guage Level, Incl in 23

1шт.

Выбрано товаров: 25