Запчасти Case IH PUMA 185 (37.100.AF[05]) - VAR - 758653, 758654 - TRAILER HITCH (37) - HITCHES, DRAWBARS & IMPLEMENT COUPLINGS

Схема запчастей Case IH PUMA 185 - (37.100.AF[05]) - VAR - 758653, 758654 - TRAILER HITCH (37) - HITCHES, DRAWBARS & IMPLEMENT COUPLINGS
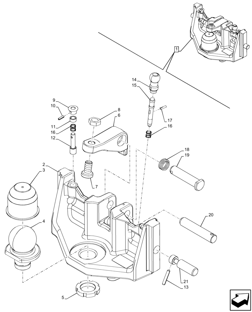
3
9
16
17
19
6
2
8
18
16
14
1
7
11
13
12
15
21
4
10
5
20
FIT
1:1
100%

Артикул

Название

Примечание

Количество

1

47540203

TOW HOOK

ASSY, Incl 2 - 21

1шт.

2

47689883

FRAME

1шт.

3

47697720

DUST CAP

1шт.

4

47690690

PIN

1шт.

5

47690606

NUT,M45 x 1.5

1шт.

6

47690616

LEVER

1шт.

7

47690693

ADJUSTMENT SCREW,35.1Kg

1шт.

8

920008881

THIN NUT,M20 x 1.5

M20 x 1.5

1шт.

9

47689894

BUSHING

2шт.

10

14600871

LOCK PIN,M5 x 20, Slotted

2шт.

11

47689922

BUSHING,Zinc

2шт.

12

47689926

LOCK PIN

2шт.

13

14607370

ROLL PIN,M8 x 45, Slotted

3шт.

14

47689908

BUSHING,Black

1шт.

15

47689920

CONTROL

1шт.

16

47689929

SPRING,14.1mm ID x 39.2mm OD x 0.9mm Thk

3шт.

17

47692629

DOWEL,5mm OD x 24mm L

1шт.

18

47689896

SPRING

1шт.

19

47689905

PIN

1шт.

20

47689918

LOCK PIN

1шт.

21

47689923

PIN

2шт.

Выбрано товаров: 21