Запчасти Case IH PUMA 185 (37.162.AE[03]) - VAR - 758091, 758245 - 3 POINT HITCH, FRONT, W/ PTO, W/O COUPLING, SUPPORT (37) - HITCHES, DRAWBARS & IMPLEMENT COUPLINGS

Схема запчастей Case IH PUMA 185 - (37.162.AE[03]) - VAR - 758091, 758245 - 3 POINT HITCH, FRONT, W/ PTO, W/O COUPLING, SUPPORT (37) - HITCHES, DRAWBARS & IMPLEMENT COUPLINGS
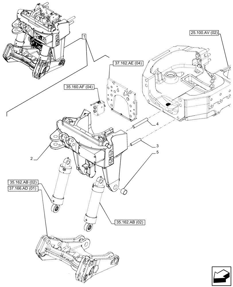
25.100.av (02)
3
5
1
2
4
35.160.af (04)
37.166.ad (01)
37.162.ae (04)
35.162.ab (02)
35.162.ab (02)
FIT
1:1
100%

Артикул

Название

Примечание

Количество

1

84474238

HITCH

ASSY, Incl 2 - 5

1шт.

See also Figure 31.142.AF (01), 31.146.AC (03), 35.160.AF (02), 35.160.AK (03), 35.162.AB (02), 35.162.AG (02), 37.162.AE (04), 37.166.AD (01), 55.160.AP (04)

1шт.

2

84470290

FRAME

1шт.

3

84473078

STUD

M20

2шт.

4

84473072

STUD

M24

4шт.

5

84423408

BUSHING

2шт.

Выбрано товаров: 6