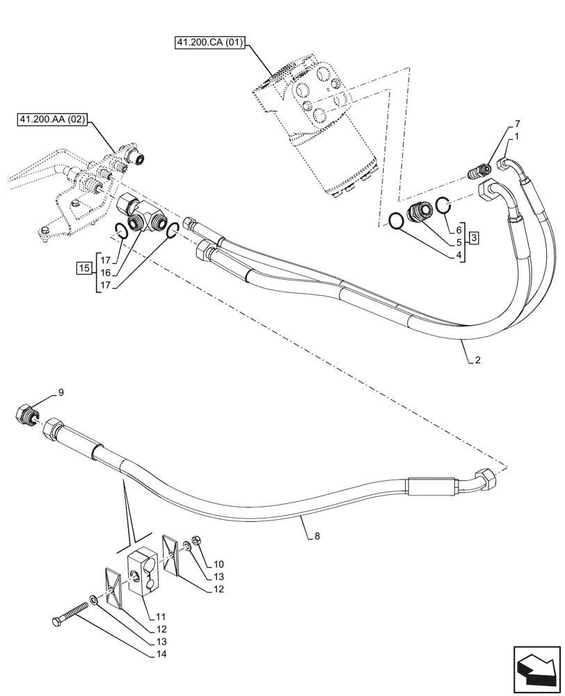
Запчасти Case IH PUMA 185 (41.200.AA[01]) - VAR - 338320, 338321, 338322, 338326, 338327, 338330, 338332, 391347, 758802, 758803, 758804, 758805, 758806, 758807 - STEERING VALVE, LINE (41) - STEERING

Схема запчастей Case IH PUMA 185 - (41.200.AA[01]) - VAR - 338320, 338321, 338322, 338326, 338327, 338330, 338332, 391347, 758802, 758803, 758804, 758805, 758806, 758807 - STEERING VALVE, LINE (41) - STEERING
41.200.ca (01)
15
12
13
7
4
14
12
17
1
10
3
5
13
11
6
8
2
17
16
9
41.200.aa (02)
FIT
1:1
100%

Артикул

Название

Примечание

Количество

1

47770273

HOSE

LS Steering

1шт.

2

47770962

HOSE

Delivery Steering

1шт.

3

82016498

HYD CONNECTOR,M22 x 1.5 DIN, 1" - 14 ORFS

ASSY, Incl 4 - 6

1шт.

4

83901443

O-RING,0.07" Thk x 0.614" ID, -16, Cl 6, 90 Duro

1шт.

5

NSS

NOT SOLD SEPARAT

Connector, Incl in 3

1шт.

6

82016732

SEAL,19.6mm ID x 24.3mm OD x 1.5mm Thk

1шт.

7

47704984

HYD CONNECTOR

1шт.

8

47780661

HOSE

Attenuator

1шт.

9

9847692

PLUG,M14 x 1 x 26mm L

1шт.

10

16100811

NUT,Hex, M8, 6.80mm, Cl 8, ZND

1шт.

11

87000138

CLAMP

1шт.

12

87000230

PLATE

2шт.

13

86624184

WASHER,9mm ID x 16mm OD x 1.6mm Thk

2шт.

14

86639028

BOLT,Hex, M8 x 65mm, Cl 8.8, Full Thd

1шт.

15

84989850

3 WAY CONNECTION

ASSY, Incl 16, 17

1шт.

16

NSS

NOT SOLD SEPARAT

Tee, Incl in 15

1шт.

17

9992069

O-RING,0.07" Thk x 0.614" ID, -16, Cl 6, 90 Duro

2шт.

Выбрано товаров: 17