Запчасти Case IH PUMA 200 (33.204.AG[01]) - VAR - 758049 - FRONT AXLE, BRAKE LINE (33) - BRAKES & CONTROLS

Схема запчастей Case IH PUMA 200 - (33.204.AG[01]) - VAR - 758049 - FRONT AXLE, BRAKE LINE (33) - BRAKES & CONTROLS
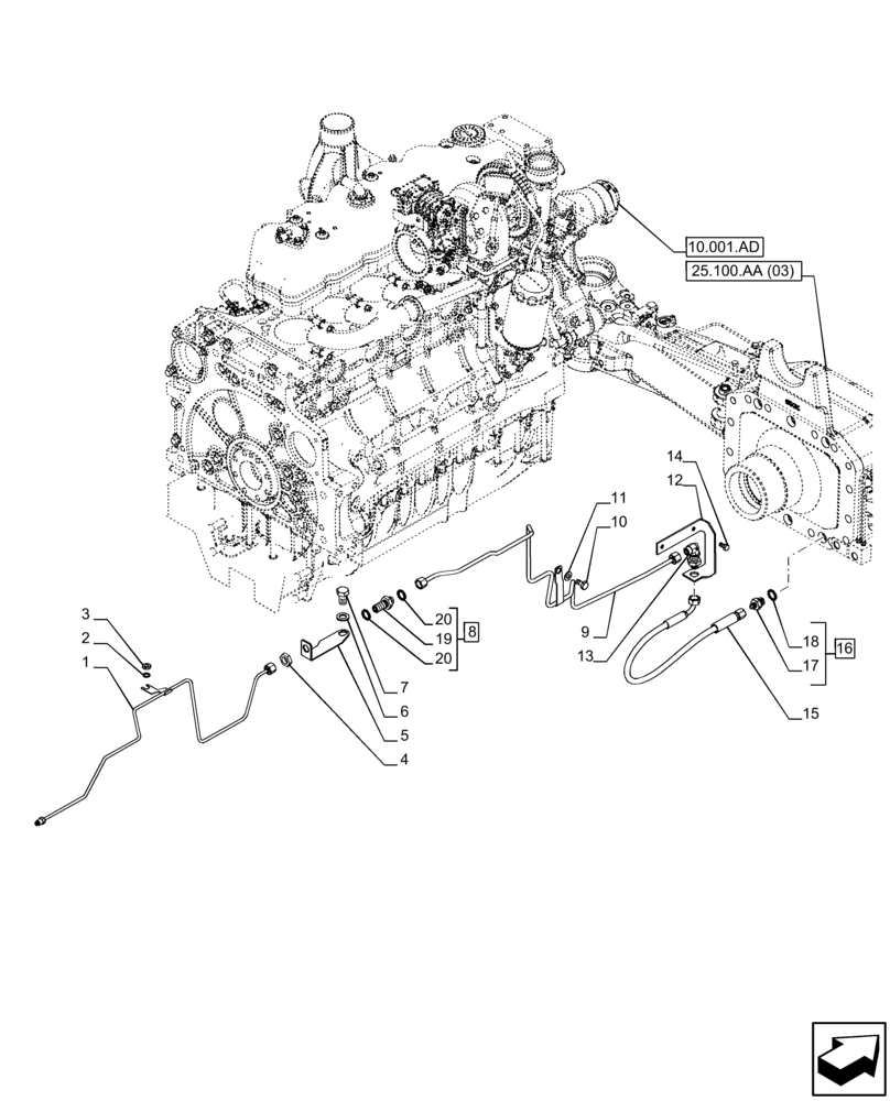
19
13
8
11
4
1
20
18
15
14
17
3
16
9
6
10
25.100.aa (03)
12
5
20
10.001.ad
7
2
FIT
1:1
100%

Артикул

Название

Примечание

Количество

1

47603725

PIPE

Front Axle Brakes

1шт.

2

5116892

SHIM,10.4mm ID x 16mm OD x 1.5mm Thk

1шт.

3

83980600

THIN NUT,M10 x 1.25, Cl 8

1шт.

4

87010704

BHD LOCK NUT,11/16"-16

1шт.

5

47422027

BRACKET

1шт.

6

10520201

WASHER,16.4mm ID x 28mm OD x 3mm Thk

1шт.

7

86639032

BOLT,Hex, M16 x 25mm, Cl 10.9, Full Thd

1шт.

8

86978770

UNION,11/16"-6, ORFS

ASSY, I ncl 19, 20

1шт.

9

47421632

PIPE

Front Axle Brakes

1шт.

10

11106021

BOLT,Hex, M10 x 1.5 x 20 mm, Cl 8.8, Full Thd

1шт.

11

14496601

WASHER,10.5mm ID x 21mm OD x 2mm Thk

1шт.

12

84606637

BRACKET

1шт.

13

87326942

HYD CONNECTOR

1шт.

14

120103

BOLT,M8 x 1.25 x 16mm, Cl 8.8

2шт.

15

87318011

HOSE

Front Axle Brakes

1шт.

16

82015298

HYD CONNECTOR,1/2"-20 - M18 x 1.5

ASSY, Incl 17, 18

1шт.

17

NSS

NOT SOLD SEPARAT

Connector, Incl in 16

1шт.

18

83999938

SEAL,15.7mm ID x 20.9mm OD x 1.5mm Thk

1шт.

19

NSS

NOT SOLD SEPARAT

Connector, Incl in 8

1шт.

20

9993141

O-RING,0.07" Thk x 0.364" ID, -12, Cl 6, 90 Duro

2шт.

Выбрано товаров: 20