Запчасти Case IH PUMA 200 (33.220.AC) - VAR - 337482, 337491 - HYDRAULIC AND PNEUMATIC TRAILER BRAKE, LINE, ANTILOCK BRAKING SYSTEM (ABS), UK (33) - BRAKES & CONTROLS

Схема запчастей Case IH PUMA 200 - (33.220.AC) - VAR - 337482, 337491 - HYDRAULIC AND PNEUMATIC TRAILER BRAKE, LINE, ANTILOCK BRAKING SYSTEM (ABS), UK (33) - BRAKES & CONTROLS
31.114.ab (04)
3
1
2
4
35.100.az (06)
FIT
1:1
100%

Артикул

Название

Примечание

Количество

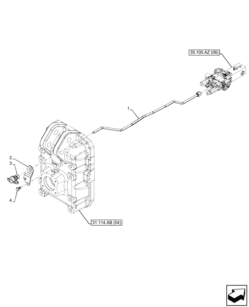
1

47423736

HYD TUBE

1шт.

2

5196322

BRACKET

1шт.

3

44015354

QUICK MALE COUPLING

1шт.

4

15540221

BOLT,Hex, M12 x 1.25 x 20mm, Cl 8.8, Full Thd

2шт.

Выбрано товаров: 4