Запчасти Case IH PUMA 200 (33.350.AH[05]) - VAR - 337479, 337480 - ANTILOCK BRAKING SYSTEM (ABS), LINE (33) - BRAKES & CONTROLS

Схема запчастей Case IH PUMA 200 - (33.350.AH[05]) - VAR - 337479, 337480 - ANTILOCK BRAKING SYSTEM (ABS), LINE (33) - BRAKES & CONTROLS
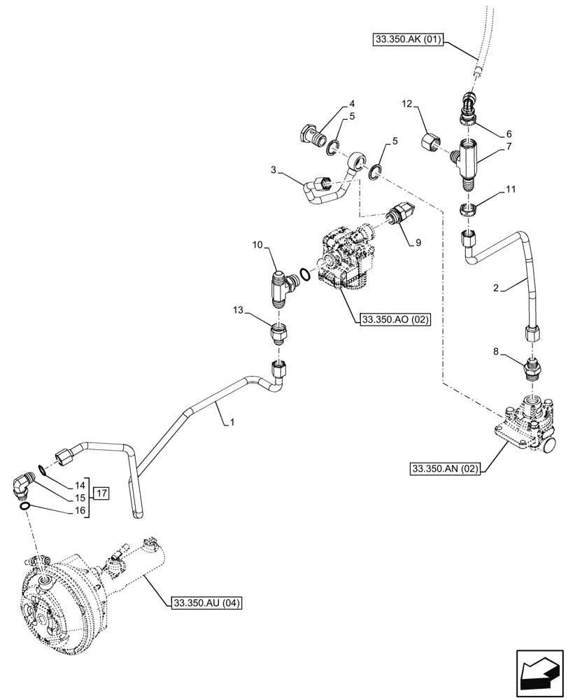
33.350.ak (01)
6
5
9
11
8
1
13
5
12
17
10
2
14
4
15
3
16
7
33.350.ao (02)
33.350.an (02)
33.350.au (04)
FIT
1:1
100%

Артикул

Название

Примечание

Количество

1

47556074

PIPE

from EBM to Actuator

1шт.

2

47419237

TUBE

Air from Proportioning Valve

1шт.

3

47424639

TUBE

from Foot Brake Valve to EBM

1шт.

4

84474995

BANJO BOLT,M22 x 1.5

1шт.

5

5165897

SEALING WASHER,22.7mm ID x 30mm OD x 2mm Thk

2шт.

6

47386297

90 ELBOW,M22 x 1.5

1шт.

7

47368281

TEE

1шт.

8

84529661

HYD CONNECTOR,M22 x 1.5 x 42mm L

1шт.

9

47369190

90 ELBOW

1шт.

10

84557169

TEE

ASSY, Incl 11, 12

1шт.

11

524036

BHD LOCK NUT,Blkhd, 3/4"-16

1шт.

12

129200

CAP,7/8" - 14 JIC

1шт.

13

87029966

REDUCER,7/8" - 14 JIC x 3/4" - 16 JIC

1шт.

14

9991976

O-RING,0.07" Thk x 0.739" ID, -18, Cl 6, 90 Duro

1шт.

15

NSS

NOT SOLD SEPARAT

Elbow, Incl in 17

1шт.

16

86598100

O-RING,2.2mm Thk x 13.3mm ID, Cl 6, 90 Duro

1шт.

17

84553346

HYD CONNECTOR,M16 x 1.5

ASSY, Incl 14 - 16

1шт.

Выбрано товаров: 17