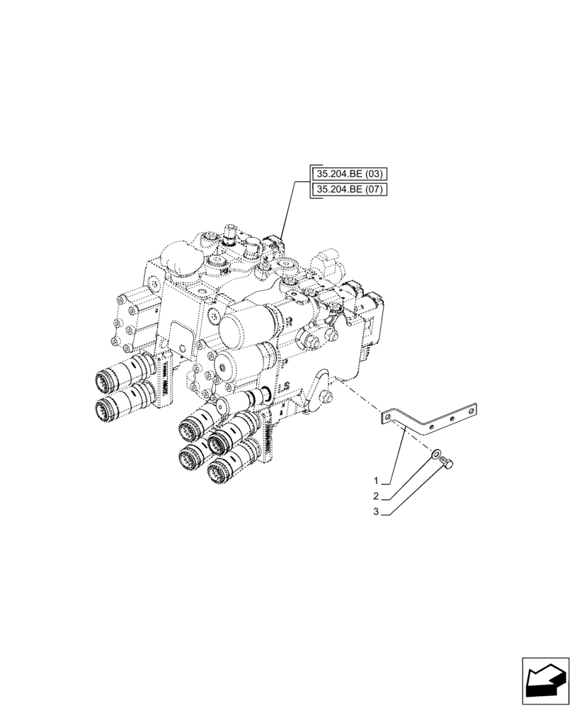
Запчасти Case IH PUMA 200 (35.204.AX[03]) - VAR - 391164, 758058 - POWER BEYOND VALVE, BRACKET (35) - HYDRAULIC SYSTEMS

Схема запчастей Case IH PUMA 200 - (35.204.AX[03]) - VAR - 391164, 758058 - POWER BEYOND VALVE, BRACKET (35) - HYDRAULIC SYSTEMS
2
35.204.be (07)
3
35.204.be (03)
1
FIT
1:1
100%

Артикул

Название

Примечание

Количество

1

87386980

SUPPORT

1шт.

2

14496501

WASHER,8.4mm ID x 17mm OD x 1.6mm Thk

2шт.

3

16043221

BOLT,Hex, M8 x 16mm, Cl 8.8, Full Thd

2шт.

Выбрано товаров: 3