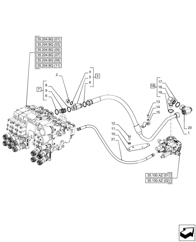
Запчасти Case IH PUMA 200 (35.204.BJ[02]) - VAR - 758071, 758072, 758073, 758074, 758075, 758076, 758077, 758078, 758079, 758080, 758081, 758082, 758083 - REMOTE CONTROL VALVE (EHR), LINE (35) - HYDRAULIC SYSTEMS

Схема запчастей Case IH PUMA 200 - (35.204.BJ[02]) - VAR - 758071, 758072, 758073, 758074, 758075, 758076, 758077, 758078, 758079, 758080, 758081, 758082, 758083 - REMOTE CONTROL VALVE (EHR), LINE (35) - HYDRAULIC SYSTEMS
35.204.bq (09)
16
18
35.100.az (02)
17
6
7
6
3
35.204.bq (07)
19
4
14
10
2
11
12
8
15
35.204.bq (11)
35.204.bq (03)
21
13
1
35.100.az (01)
5
20
35.204.bq (05)
9
35.204.bq (01)
FIT
1:1
100%

Артикул

Название

Примечание

Количество

1

84597316

PIPE

Delivery

1шт.

2

47123020

PLUG,Hex

1шт.

3

5197273

HYD CONNECTOR,1' 3/16-12 x 83.6mm

ASSY, Incl 4 - 6 (Q.ty 1)

1шт.

4

5185511

O-RING,1.78mm Thk x 12.42mm ID, 85 Duro

1шт.

5

NSS

NOT SOLD SEPARAT

Tee, Incl in 3

1шт.

6

5185513

O-RING,1.78mm Thk x 18.77mm ID, 85 Duro

2шт.

7

5197215

HYD CONNECTOR,1"3/16-12 ORFS x M27 x 2 ORB

ASSY, Incl 6 (Q.ty 1), 8, 9

1шт.

8

14438185

O-RING,24mm ID x 3mm

1шт.

9

NSS

NOT SOLD SEPARAT

Connector, Incl in 7

1шт.

10

47491059

BRACKET

1шт.

11

86624176

WASHER,11mm ID x 20mm OD x 2mm Thk

2шт.

12

412159

BOLT,Hex, M10 x 1.25 x 25mm, Cl 8.8, Full Thd

2шт.

13

47491060

BRACKET

1шт.

14

86508568

BOLT,Hex, M6 x 1 x 16mm, Cl 8.8

2шт.

15

86588450

WASHER,6.6mm ID x 12mm OD x 1.6mm Thk

2шт.

16

86579697

ELBOW,90 Degree, 1-3/16"-12 ORFS x M27 x 2.0 ORB

ASSY, Incl 17 - 19

1шт.

17

9991976

O-RING,0.07" Thk x 0.739" ID, -18, Cl 6, 90 Duro

1шт.

18

NSS

NOT SOLD SEPARAT

Elbow, Incl in 16

1шт.

19

86598103

O-RING,2.9mm Thk x 23.6mm ID, Cl 6, 90 Duro

1шт.

20

87328818

TEE

1шт.

21

84120066

HOSE

LS

1шт.

Выбрано товаров: 21