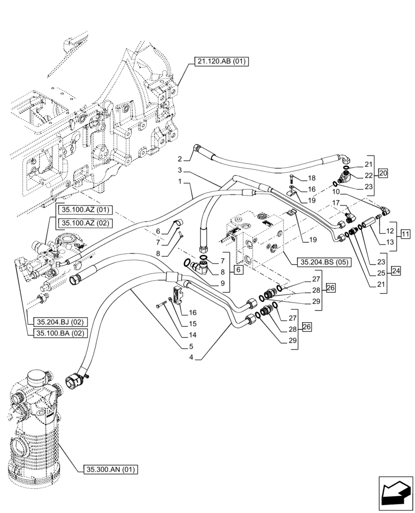
Запчасти Case IH PUMA 200 (35.204.BS[07]) - VAR - 758065 - 2 ELECTRONIC MID MOUNTED VALVES, LINE (35) - HYDRAULIC SYSTEMS

Схема запчастей Case IH PUMA 200 - (35.204.BS[07]) - VAR - 758065 - 2 ELECTRONIC MID MOUNTED VALVES, LINE (35) - HYDRAULIC SYSTEMS
6
9
8
29
16
35.100.az (02)
15
1
17
28
23
13
11
19
10
4
35.204.bs (05)
20
22
28
16
25
21
27
26
35.204.bj (02)
21.120.ab (01)
5
35.100.ba (02)
12
6
2
8
23
35.300.an (01)
7
14
18
27
3
19
35.100.az (01)
29
26
24
21
7
FIT
1:1
100%

Артикул

Название

Примечание

Количество

1

47491920

PIPE

Load Sense

1шт.

2

47526874

HOSE

Servo Supply

1шт.

3

47491916

PIPE

Servo Return

1шт.

4

47491913

PIPE

Supply

1шт.

5

47526944

PIPE

Return

1шт.

6

86579690

ELBOW,90 Degree, 13/16"-18 ORFS x M16 x 1.5 ORB

ASSY, Incl 7 - 9

1шт.

7

86598100

O-RING,2.2mm Thk x 13.3mm ID, Cl 6, 90 Duro

1шт.

8

NSS

NOT SOLD SEPARAT

Elbow, Incl in 6

1шт.

9

9992298

O-RING,0.07" Thk x 0.489" ID, -14, Cl 6, 90 Duro

1шт.

10

47541009

ELBOW,90 Deg, 9/16-18 ORFS x M10 x 1 ORB

1шт.

11

47398420

CHECK VALVE

ASSY, Incl 12, 13

1шт.

12

47398422

CHECK VALVE

1шт.

13

47398421

HYD CONNECTOR,9/16"-18 x M12 x 1.5

1шт.

14

120102

BOLT,Hex, M6 x 40mm, Cl 8.8

1шт.

15

12646601

WASHER,6.15mm ID x 15mm OD x 1.5mm Thk

2шт.

16

87571442

BRACKET

1шт.

17

84553343

90 ELBOW,11/16"-16 ORFS x M10 X 1 ORB

1шт.

18

43117

SCREW,Hex, M6 x 1.0 x 30mm, Cl 8.8

1шт.

19

47453770

BRACKET

2шт.

20

86579686

90 ELBOW,11/16"-16 ORFS x M14 x 1.5 ORB

ASSY, Incl 21 (Q.ty 1), 22, 23 (Q.ty 1)

1шт.

21

86598099

O-RING,2.2mm Thk x 11.3mm ID, Cl 6

2шт.

22

NSS

NOT SOLD SEPARAT

Elbow, Incl in 20

1шт.

23

9993141

O-RING,0.07" Thk x 0.364" ID, -12, Cl 6, 90 Duro

2шт.

24

86579671

HYD CONNECTOR,11/16" - 16 ORFS x M14 x 1.5 ORB

ASSY, Incl 21 (Q.ty 1), 23 (Q.ty 1), 25

1шт.

25

NSS

NOT SOLD SEPARAT

Connector, Incl in 24

1шт.

26

86579680

HYD CONNECTOR,1"-14 ORFS x M22 x 1.5mm ORB

ASSY, Incl 27 - 29

2шт.

27

9992069

O-RING,0.07" Thk x 0.614" ID, -16, Cl 6, 90 Duro

1шт.

28

NSS

NOT SOLD SEPARAT

Connector, Incl in 26

1шт.

29

86598102

O-RING,2.2mm Thk x 19.3mm ID, Cl 6, 90 Duro

1шт.

Выбрано товаров: 29