Запчасти Case IH PUMA 200 (35.322.AY[01]) - VAR - 337427, 337428, 337429, 337430, 337431, 337432, 391137, 758017, 758018, 758019, 758020, 758021 - TRANSMISSION, LOW PRESSURE, LINE (35) - HYDRAULIC SYSTEMS

Схема запчастей Case IH PUMA 200 - (35.322.AY[01]) - VAR - 337427, 337428, 337429, 337430, 337431, 337432, 391137, 758017, 758018, 758019, 758020, 758021 - TRANSMISSION, LOW PRESSURE, LINE (35) - HYDRAULIC SYSTEMS
35.100.az (02)
5
7
35.100.az (01)
2
4
35.322.ay (02)
21.135.aq (01)
6
21.120.ab (01)
1
3
21.118.af (08)
31.104.ar (01)
FIT
1:1
100%

Артикул

Название

Примечание

Количество

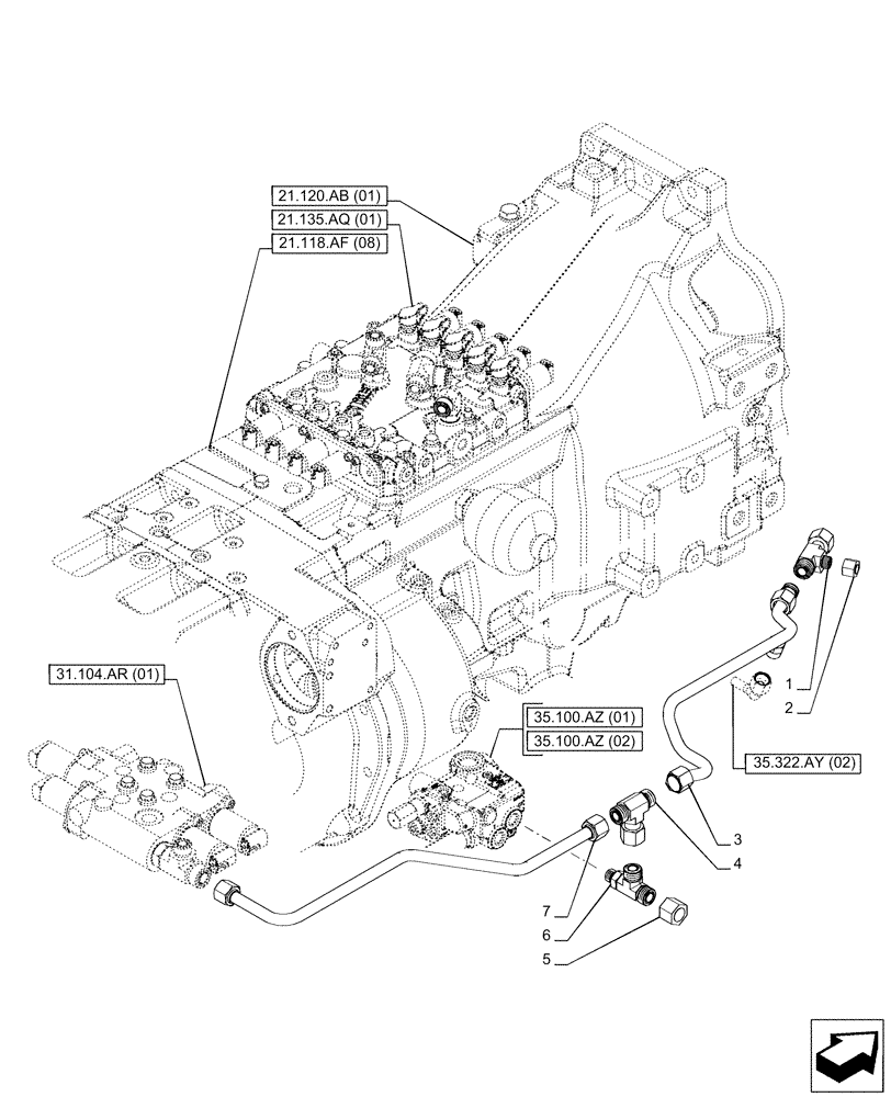
1

84606880

TEE,11/16"-16 ORFS x 1"-14 ORFS x 1"-14

1шт.

2

9625546

CAP,11/16" - 16 ORFS

1шт.

3

47449772

PIPE

Transmission

1шт.

4

5197110

TEE,1"-14 UNS

1шт.

5

9840576

CAP,1" - 14 ORFS

1шт.

6

47480712

TEE

1шт.

7

84597328

PIPE

Supply Manifold

1шт.

Выбрано товаров: 7