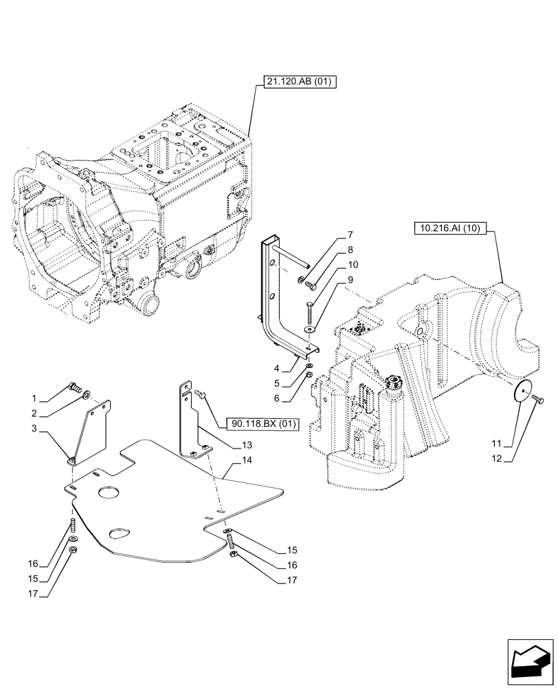
Запчасти Case IH PUMA 200 (10.216.AI[14]) - VAR - 391131 - FUEL TANK, SUPPORT (10) - ENGINE

Схема запчастей Case IH PUMA 200 - (10.216.AI[14]) - VAR - 391131 - FUEL TANK, SUPPORT (10) - ENGINE
10.216.ai (10)
15
7
17
15
16
14
13
1
17
8
4
6
11
2
12
10
9
16
3
5
90.118.bx (01)
21.120.ab (01)
FIT
1:1
100%

Артикул

Название

Примечание

Количество

1

300388

BOLT,Hex, M12 x 1.75 x 25mm, Cl 8.8

2шт.

2

14496704

WASHER,13mm ID x 24mm OD x 2.5mm Thk

2шт.

3

84527963

BRACKET

1шт.

4

84529830

SUPPORT

Tank

1шт.

5

14496601

WASHER,10.5mm ID x 21mm OD x 2mm Thk

1шт.

6

100037

LOCK NUT,M10 x 1.5, Cl 8

1шт.

7

86511324

WASHER,13mm ID x 24mm OD x 2.5mm Thk

2шт.

8

15540424

SCREW,Hex, M12 x 1.25 x 30mm, Cl 8.8, Full Thd

2шт.

9

12644301

WASHER,M10 x 35 x 3

1шт.

10

83931335

BOLT,Hex, M10 x 1.5 x 75mm, Cl 8.8

1шт.

11

84388777

SPACER,11mm ID x 120mm OD x 1mm L

1шт.

12

11106624

SCREW,Hex, M10 x 1.5 x 35 mm, Cl 8.8, Full Thd

1шт.

13

84529506

BRACKET

Cover

1шт.

14

47449076

COVER

1шт.

15

140045

BELLEVILLE WASHER,M10 Bolt Size x 22mm OD x 1.6mm Thk

4шт.

16

82008683

STUD,M10 x 1.25 x 40mm L

Fuel Tank Shield Support

4шт.

17

12164711

NUT,M10 x 1.25, Cl 8

4шт.

Выбрано товаров: 17