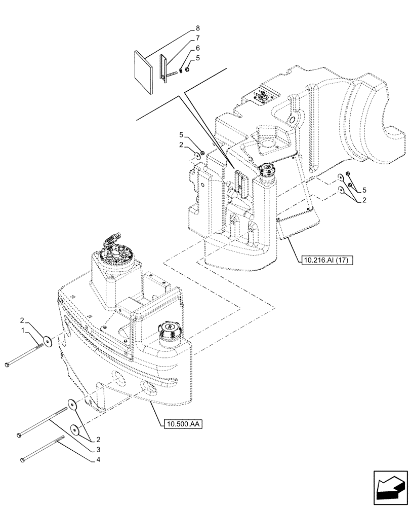
Запчасти Case IH PUMA 200 (10.216.AI[19]) - VAR - 391131, 758001 - FUEL TANK, ASSEMBLY, W/ABS (10) - ENGINE

Схема запчастей Case IH PUMA 200 - (10.216.AI[19]) - VAR - 391131, 758001 - FUEL TANK, ASSEMBLY, W/ABS (10) - ENGINE
10.216.ai (17)
1
2
5
8
2
5
3
4
5
6
2
2
7
10.500.aa
FIT
1:1
100%

Артикул

Название

Примечание

Количество

1

2186540

BOLT,Hex, M10 x 215mm, Cl 10.9

1шт.

2

87024930

WASHER,10.8mm ID x 50mm OD x 3mm Thk

6шт.

3

2142046

BOLT,Hex, M10 x 1.5 x 290mm, Cl 10.9

1шт.

4

84077701

BOLT,Hex, M10 x 250mm, Cl 8.8, Full Thd

1шт.

5

100037

LOCK NUT,M10 x 1.5, Cl 8

3шт.

6

14496601

WASHER,10.5mm ID x 21mm OD x 2mm Thk

1шт.

7

47735311

PLATE

1шт.

8

47735605

SEAL,75mm L x 75mm W x 5mm Thk

1шт.

Выбрано товаров: 8