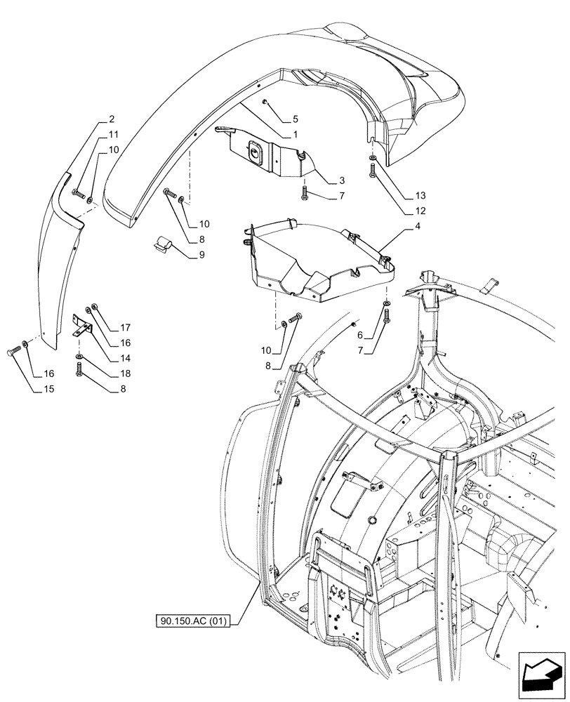
Запчасти Case IH PUMA 200 (90.116.AC[06]) - VAR - 391205 - REAR FENDER (90) - PLATFORM, CAB, BODYWORK AND DECALS

Схема запчастей Case IH PUMA 200 - (90.116.AC[06]) - VAR - 391205 - REAR FENDER (90) - PLATFORM, CAB, BODYWORK AND DECALS
90.150.ac (01)
3
9
10
18
8
6
15
11
7
17
16
12
2
8
10
7
13
4
16
5
1
14
10
8
FIT
1:1
100%

Артикул

Название

Примечание

Количество

1

87554853

REAR FENDER

LH, Red

1шт.

1

87554854

REAR FENDER

RH, Red

1шт.

2

82038501

REAR FENDER

LH

1шт.

2

82038500

REAR FENDER

RH

1шт.

3

84511198

COVER

LH

1шт.

3

84511195

COVER

RH

1шт.

4

47550809

SUPPORT

LH

1шт.

4

47550810

SUPPORT

RH

1шт.

5

81870039

FASTENER,M8 x 1.5 x 22mm

2шт.

6

12638104

WASHER,5.2mm ID x 14mm OD x 1mm Thk

6шт.

7

87352109

SCREW,Phillips Drive, Pan HD, M10 x 50mm

10шт.

8

16043221

BOLT,Hex, M8 x 16mm, Cl 8.8, Full Thd

6шт.

9

82010838

SPRING CLIP,0.5mm Thk

3шт.

10

12626201

WASHER,10.2mm ID x 25mm OD x 3mm Thk

7шт.

11

14306221

HEX SOC SCREW,M8 x 16mm, Cl 8.8, Full Thd

4шт.

12

16043821

SCREW,Hex, M8 x 1.25 x 30mm, Cl 8.8, Full Thd

1шт.

13

12628901

WASHER,8.15mm ID x 25mm OD x 4mm Thk

1шт.

14

47720367

BRACKET

LH

1шт.

14

47720364

BRACKET

RH

1шт.

15

84187823

SCREW,Torx, Pan HD, M6 x 25mm, Cl 4.8

1шт.

16

84188433

WASHER,6.15mm ID x 18mm OD x 2mm Thk

2шт.

17

15896211

NUT,M6, Cl 8

1шт.

18

14496501

WASHER,8.4mm ID x 17mm OD x 1.6mm Thk

2шт.

Выбрано товаров: 23