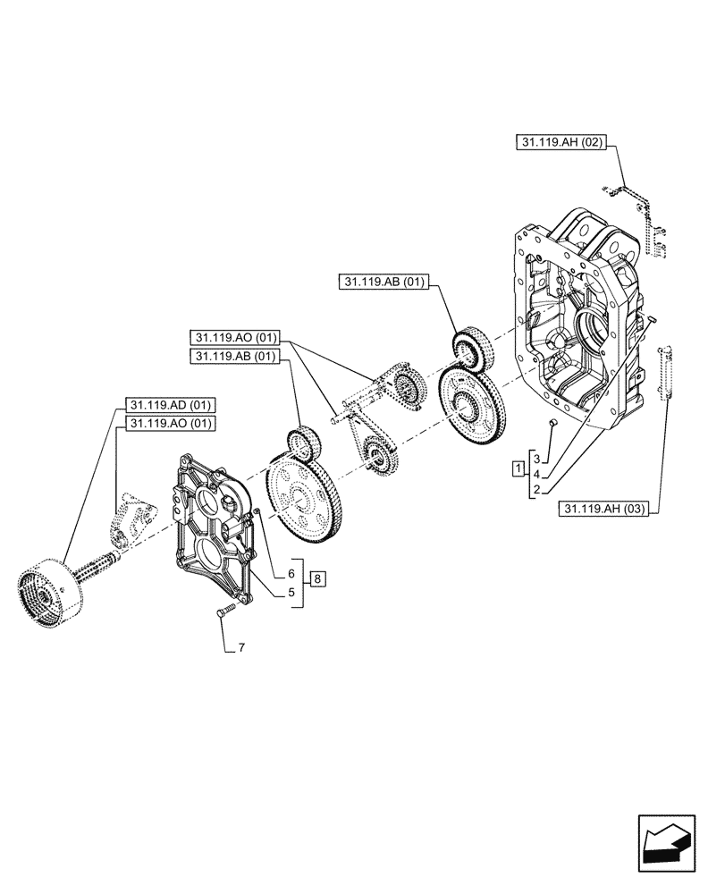
Запчасти Case IH PUMA 200 (31.119.AH[01]) - VAR - 758030 - PTO 540/540E/1000/1000E RPM, HOUSING (31) - IMPLEMENT POWER TAKE OFF

Схема запчастей Case IH PUMA 200 - (31.119.AH[01]) - VAR - 758030 - PTO 540/540E/1000/1000E RPM, HOUSING (31) - IMPLEMENT POWER TAKE OFF
31.119.ah (02)
8
4
6
3
2
7
1
5
31.119.ao (01)
31.119.ao (01)
31.119.ab (01)
31.119.ab (01)
31.119.ah (03)
31.119.ad (01)
FIT
1:1
100%

Артикул

Название

Примечание

Количество

1

84192852

HOUSING

ASSY, Incl 2 - 4

1шт.

2

84192850

HOUSING

1шт.

3

44908048

BUSHING,16mm OD x 14mm L

2шт.

4

14536590

PLUG,10.00mm Dia x 19.80mm L

2шт.

5

84253117

SUPPORT

1шт.

6

10275501

PLUG,Pipe, Hex Skt, M12 x 1.25 x 11mm, Cl 4.8

2шт.

7

15540721

SCREW,Hex, M12 x 1.25 x 45mm, Cl 8.8, Full Thd

5шт.

8

84253114

SUPPORT

ASSY, Incl 5, 6

1шт.

Выбрано товаров: 8