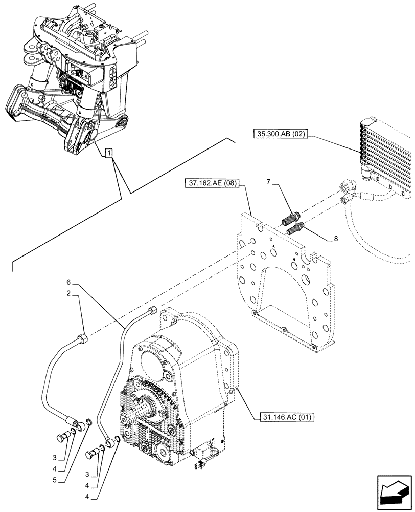
Запчасти Case IH PUMA 200 (31.142.AF[02]) - VAR - 758093, 758247 - FRONT, 3 POINT HITCH, W/ COUPLING, FRONT PTO, LINE (31) - IMPLEMENT POWER TAKE OFF

Схема запчастей Case IH PUMA 200 - (31.142.AF[02]) - VAR - 758093, 758247 - FRONT, 3 POINT HITCH, W/ COUPLING, FRONT PTO, LINE (31) - IMPLEMENT POWER TAKE OFF
31.146.ac (01)
7
6
2
8
1
3
3
5
4
4
35.300.ab (02)
4
37.162.ae (08)
FIT
1:1
100%

Артикул

Название

Примечание

Количество

1

84474238

HITCH

ASSY, Incl 2 - 8

1шт.

See also Figure 31.146.AC (01), 35.160.AF (04), 35.160.AK (02), 35.162.AB (04), 35.162.AG (04), 37.162.AE (07), 37.162.AE (08), 37.166.AD (02), 55.160.AP (02)

1шт.

2

84481599

TUBE

Return

1шт.

3

84481638

BANJO BOLT

2шт.

4

84481640

SEALING WASHER,14mm ID x 18.7mm OD x 1.5mm Thk

14 x 18.7 x 1.5

3шт.

5

84486715

SEALING WASHER

14 x 19 x 4.5

1шт.

6

84481605

HYD TUBE

Delivery

1шт.

7

84481622

FITTING,M18 x 1.5

1шт.

8

84481613

FITTING,M14 x 1.5

1шт.

Выбрано товаров: 9