Запчасти Case IH PUMA 200 (33.202.AP[05]) - VAR - 758040, 758042 - HYDRAULIC AND PNEUMATIC TRAILER BRAKE, LINE (33) - BRAKES & CONTROLS

Схема запчастей Case IH PUMA 200 - (33.202.AP[05]) - VAR - 758040, 758042 - HYDRAULIC AND PNEUMATIC TRAILER BRAKE, LINE (33) - BRAKES & CONTROLS
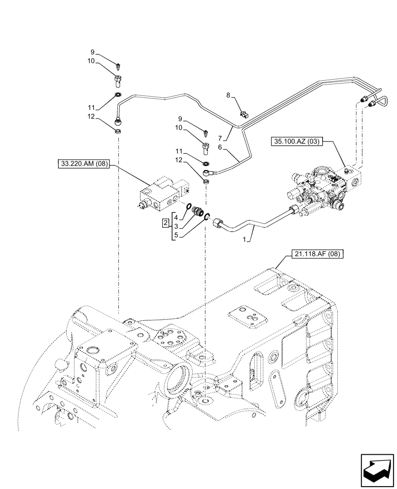
33.220.am (08)
9
11
10
7
21.118.af (08)
2
12
9
8
3
10
6
4
5
1
11
35.100.az (03)
12
FIT
1:1
100%

Артикул

Название

Примечание

Количество

1

47423734

PIPE

Brake Block

1шт.

2

5194065

HYD CONNECTOR,M18 x 1.5 x 36mm

ASSY, Incl 3 - 5

1шт.

3

NSS

NOT SOLD SEPARAT

Connector, Incl in 2

1шт.

4

14437985

O-RING,15.3mm ID x 2.4mm

1шт.

5

5185511

O-RING,1.78mm Thk x 12.42mm ID, 85 Duro

1шт.

6

47603684

PIPE

Brake, RH

1шт.

7

47603686

PIPE

Brake, LH

1шт.

8

14581180

SPRING CLIP,2x6.3mm OD x 37mm L

1шт.

9

5153030

BLEED SCREW,Bleeder, Hex, M8 x 1.25 x 25mm

2шт.

10

5197769

BANJO BOLT,M18 x 1.5 x 49mm

1шт.

11

5183780

SEALING WASHER,9.73mm ID x 18mm OD x 1.5mm Thk

2шт.

12

5155678

GASKET,12.2mm ID x 17mm OD x 5mm Thk

2шт.

Выбрано товаров: 12