Запчасти Case IH PUMA 200 (33.202.AP[09]) - VAR - 337426, 337428, 337429, 337430, 337431, 337432, 391137, 758017, 758018, 758019, 758020, 758021, 759052 - BRAKE LINE, POWERSHIFT (33) - BRAKES & CONTROLS

Схема запчастей Case IH PUMA 200 - (33.202.AP[09]) - VAR - 337426, 337428, 337429, 337430, 337431, 337432, 391137, 758017, 758018, 758019, 758020, 758021, 759052 - BRAKE LINE, POWERSHIFT (33) - BRAKES & CONTROLS
35.106.ad (01)
4
5
2
5
6
6
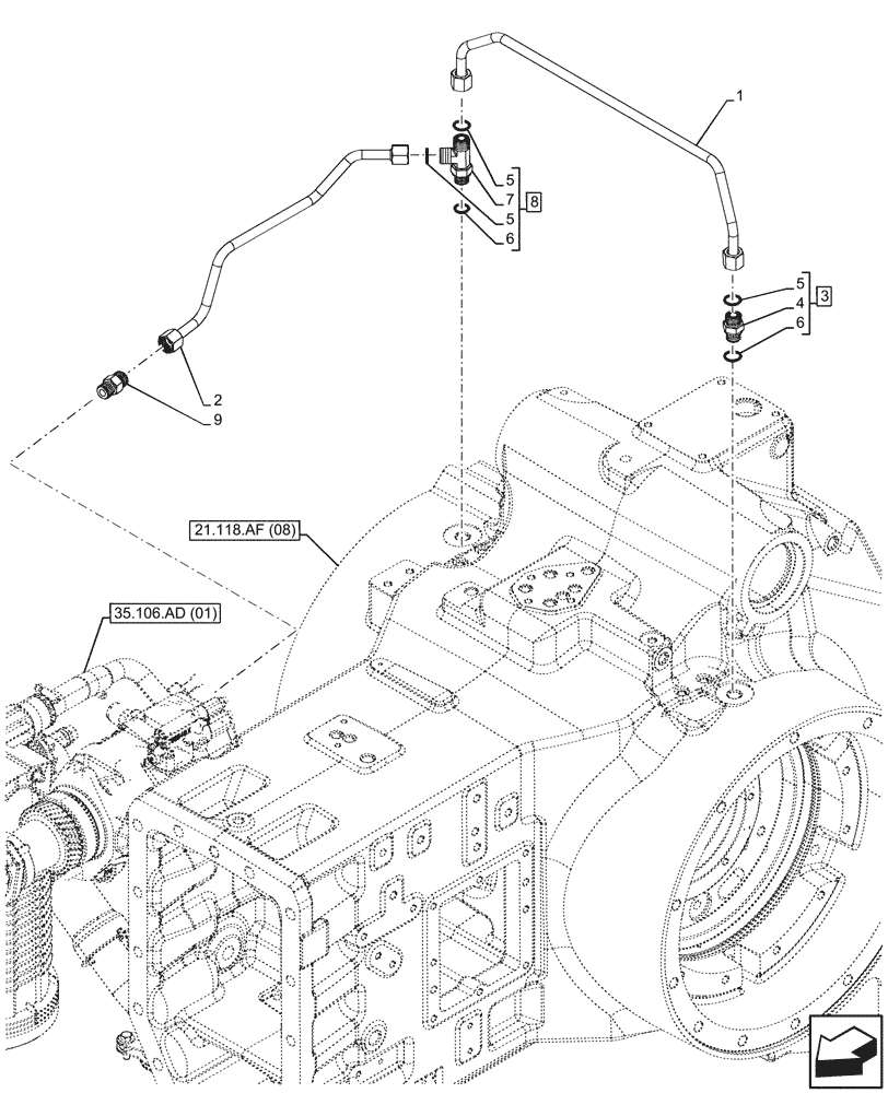
1
3
8
9
21.118.af (08)
7
5
FIT
1:1
100%

Артикул

Название

Примечание

Количество

1

84554416

HYD TUBE

1шт.

2

84554418

HYD TUBE

from G Port

1шт.

3

47563782

FITTING

ASSY, Incl 4, 5 (Qty 1), 6 (Qty 1)

1шт.

4

NSS

NOT SOLD SEPARAT

Connector, Incl in 3

1шт.

5

9992898

O-RING

3шт.

6

86598101

O-RING,2.2mm Thk x 15.3mm ID, Cl 6, 90 Duro

2шт.

7

NSS

NOT SOLD SEPARAT

Tee, Incl in 8

1шт.

8

47563780

RUN TEE

ASSY, Incl 5 (Qty 2), 6 (Qty 1), 7

1шт.

9

84140206

CHECK VALVE

Brake Lube

1шт.

Выбрано товаров: 9