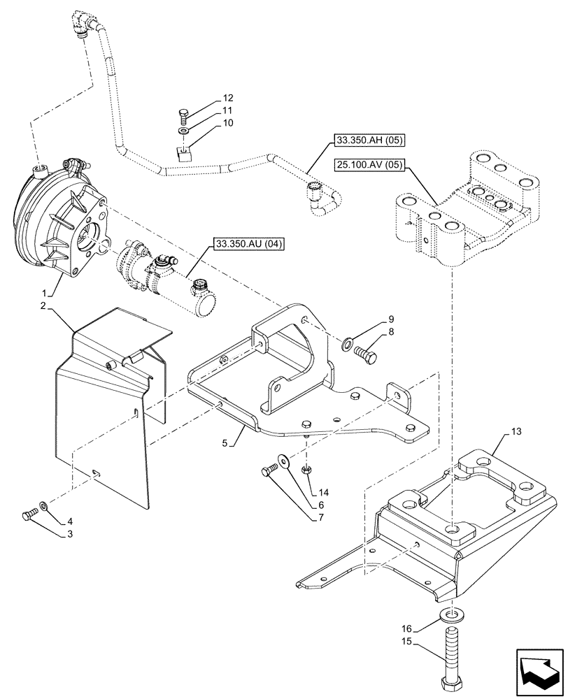
Запчасти Case IH PUMA 200 (33.350.AM[03]) - VAR - 337479, 337480 - ANTILOCK BRAKING SYSTEM (ABS), BRAKE SERVO (33) - BRAKES & CONTROLS

Схема запчастей Case IH PUMA 200 - (33.350.AM[03]) - VAR - 337479, 337480 - ANTILOCK BRAKING SYSTEM (ABS), BRAKE SERVO (33) - BRAKES & CONTROLS
33.350.ah (05)
15
7
4
9
1
16
11
13
10
6
14
2
12
8
3
5
33.350.au (04)
25.100.av (05)
FIT
1:1
100%

Артикул

Название

Примечание

Количество

1

47370210

CONVERTER

Front

1шт.

2

47528451

COVER

1шт.

3

86508568

BOLT,Hex, M6 x 1 x 16mm, Cl 8.8

3шт.

4

10519421

WASHER,6.4mm ID x 11.95mm OD x 1.6mm Thk

3шт.

5

47370301

BRACKET

1шт.

6

16043524

SCREW,Hex, M8 x 1.25 x 22mm, Cl 8.8, Full Thd

1шт.

7

12642001

WASHER,8.15mm ID x 25mm OD x 1.5mm Thk

1шт.

8

9706687

BOLT,M12 x 1.75 x 30mm, Cl 8.8

2шт.

9

140018

WASHER,13.5mm ID x 24mm OD x 2.5mm Thk

2шт.

10

44903268

RETAINER COLLAR,12mm ID

1шт.

11

83931520

WASHER,8.4mm ID x 17mm OD x 2mm Thk

1шт.

12

120104

BOLT,Hex, M8 x 1.25 x 20mm, Cl 8.8

1шт.

13

47828674

BRACKET

1шт.

14

86505868

SERRATED NUT,Hex, M8 x 1.25, Cl 8

3шт.

15

87723036

SCREW,M20 x 2.5 x 2.50mm, Cl 12.9

4шт.

16

82014831

LOCK WASHER,19.5mm ID x 29mm OD x 3.4mm Thk

4шт.

Выбрано товаров: 16