Запчасти Case IH PUMA 220 (35.000.00[01]) - SECTION INDEX - HYDRAULIC SYSTEMS (35) - HYDRAULIC SYSTEMS

Схема запчастей Case IH PUMA 220 - (35.000.00[01]) - SECTION INDEX - HYDRAULIC SYSTEMS (35) - HYDRAULIC SYSTEMS
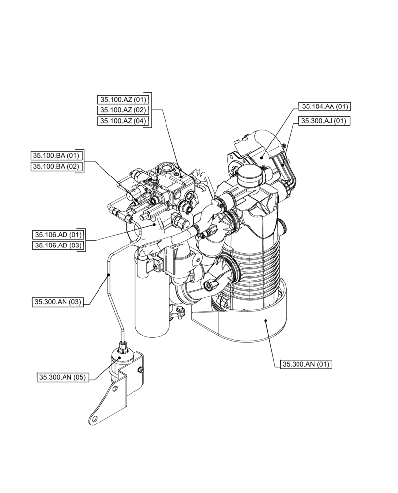
35.300.aj (01)
35.300.an (05)
35.100.az (02)
35.104.aa (01)
35.100.ba (01)
35.100.az (04)
35.100.ba (02)
35.300.an (03)
35.100.az (01)
35.300.an (01)
35.106.ad (03)
35.106.ad (01)
FIT
1:1
100%