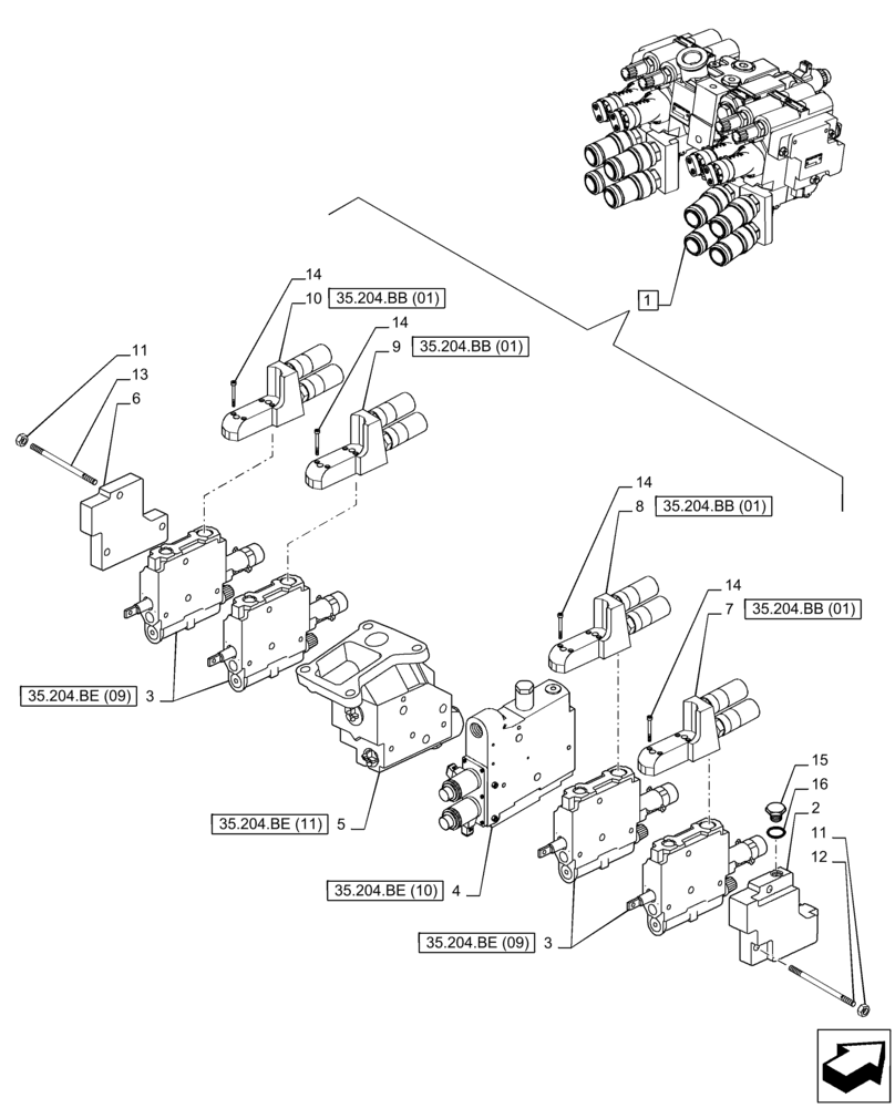
Запчасти Case IH PUMA 220 (35.204.BE[06]) - VAR - 758058 - 4 REMOTE CONTROL VALVE (MHR), COMPONENTS (35) - HYDRAULIC SYSTEMS

Схема запчастей Case IH PUMA 220 - (35.204.BE[06]) - VAR - 758058 - 4 REMOTE CONTROL VALVE (MHR), COMPONENTS (35) - HYDRAULIC SYSTEMS
15
5
9
12
10
2
8
35.204.be (09)
16
35.204.be (11)
6
14
1
14
11
4
35.204.be (09)
35.204.bb (01)
35.204.be (10)
3
3
7
35.204.bb (01)
14
13
35.204.bb (01)
14
35.204.bb (01)
11
FIT
1:1
100%

Артикул

Название

Примечание

Количество

1

87311373

CONTROL VALVE

ASSY, Incl 2 - 16

1шт.

2

5195157

COVER

1шт.

3

87313431

VALVE SECTION

4шт.

4

84236339

CONTROL VALVE

1шт.

5

47136304

BODY

1шт.

6

5190710

PLATE

1шт.

7

87381981

HYDRAULIC MANIFOLD

1 MHR

1шт.

8

87381982

HYDRAULIC MANIFOLD

2 MHR

1шт.

9

87381983

HYDRAULIC MANIFOLD

3 MHR

1шт.

10

87381984

HYDRAULIC MANIFOLD

1шт.

11

5195169

NUT,M8

6шт.

12

5195168

TIE-ROD,M8

3шт.

13

5195170

BOLT

3шт.

14

14305971

HEX SOC SCREW,M6 x 45mm, Cl 12.9

16шт.

15

5191704

CHECK VALVE

1шт.

16

5191705

O-RING,9.4mm D x 2.1mm Thk

1шт.

Выбрано товаров: 16