Запчасти Case IH PUMA 220 (35.204.BQ[08]) - VAR - 758060 - 4 REMOTE CONTROL VALVE (EHR W/PB), COMPONENTS (35) - HYDRAULIC SYSTEMS

Схема запчастей Case IH PUMA 220 - (35.204.BQ[08]) - VAR - 758060 - 4 REMOTE CONTROL VALVE (EHR W/PB), COMPONENTS (35) - HYDRAULIC SYSTEMS
2
5
19
35.204.be (13)
14
4
7
3
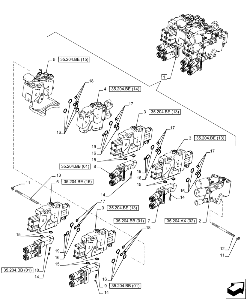
1
35.204.bb (01)
8
19
35.204.be (13)
14
35.204.bb (01)
35.204.bb (01)
15
10
15
15
18
11
18
35.204.be (14)
35.204.be (16)
35.204.bb (01)
16
13
3
3
12
16
17
16
9
35.204.be (15)
11
6
16
17
17
17
14
35.204.ax (02)
15
16
35.204.be (13)
19
16
14
FIT
1:1
100%

Артикул

Название

Примечание

Количество

1

47594447

CONTROL VALVE

ASSY, Incl 2 - 19

1шт.

2

87607904

HYD VALVE SECTION

1шт.

3

47594399

HYDRAULIC VALVE

Main Low

3шт.

4

47434177

HYD VALVE SECTION

Hitch

1шт.

4

47434177R

REMAN-HYD VALVE

Reman For New P/N 47434177, Hitch

1шт.

4

47434177C

CORE-VALVE HYD

Return Part Number

1шт.

5

87555868

MANIFOLD VALVE

Inlet, Outlet

1шт.

6

47594400

HYDRAULIC VALVE

LH, Low

1шт.

7

87381981

HYDRAULIC MANIFOLD

1 EHR

1шт.

8

87381982

HYDRAULIC MANIFOLD

2 EHR

1шт.

9

87381983

HYDRAULIC MANIFOLD

3 EHR

1шт.

10

87596458

HYDRAULIC MANIFOLD

1шт.

11

829-1312

NUT,M12 x 1.75, Cl 10

6шт.

12

87604617

STUD,M12 x 1.75 x 235mm L

M12 x 235

3шт.

13

87604619

THREADED TIE-ROD,M12 x 1.75 x 135mm L

M12 x 135

3шт.

14

864-6045

HEX SOC SCREW,M6 x 45mm, Cl 8.8

16шт.

15

87635381

O-RING,2.62mm Thk x 15.54mm ID, -114, 80 Duro

8шт.

16

87635382

O-RING,2.62mm Thk x 20.29mm ID, -117, 80 Duro

19шт.

17

87635379

O-RING,2.62mm Thk x 9.19mm ID, -110, 80 Duro

12шт.

18

87635380

O-RING,2.62mm Thk x 12.37mm ID, -112, 80 Duro

6шт.

19

87635376

O-RING,2.62mm Thk x 3.63mm ID, -105, 80 Duro

3шт.

Выбрано товаров: 21