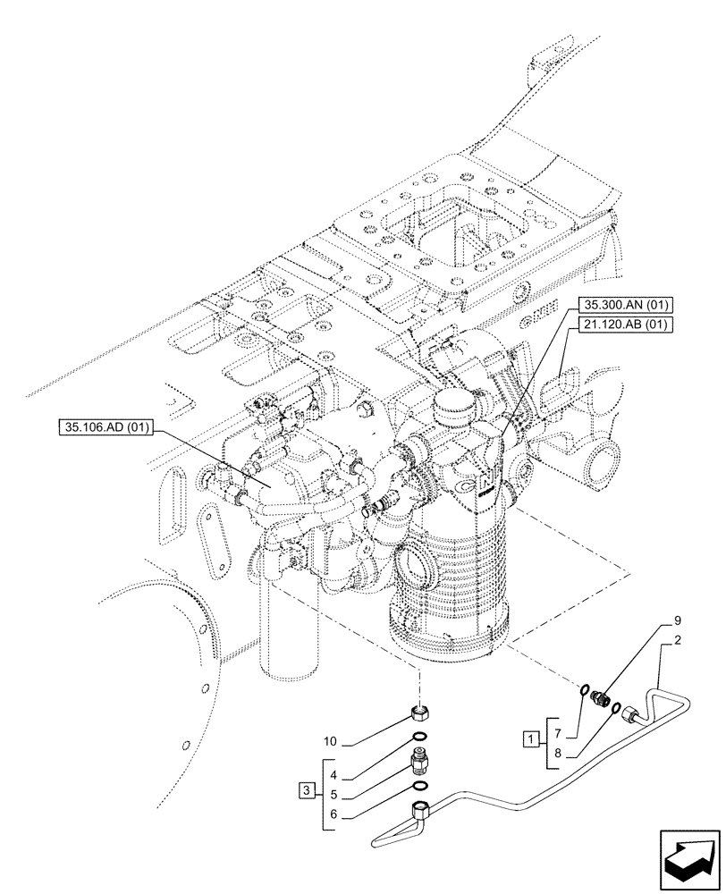
Запчасти Case IH PUMA 220 (35.322.AY[05]) - VAR - 337426, 337428, 337429, 337430, 337431, 337432, 391137, 758017, 758018, 758019, 758020, 758021, 758064 - TRANSMISSION, LOW PRESSURE, LINE (35) - HYDRAULIC SYSTEMS

Схема запчастей Case IH PUMA 220 - (35.322.AY[05]) - VAR - 337426, 337428, 337429, 337430, 337431, 337432, 391137, 758017, 758018, 758019, 758020, 758021, 758064 - TRANSMISSION, LOW PRESSURE, LINE (35) - HYDRAULIC SYSTEMS
35.106.ad (01)
3
7
8
6
10
4
5
2
9
1
35.300.an (01)
21.120.ab (01)
FIT
1:1
100%

Артикул

Название

Примечание

Количество

1

5196844

HYD CONNECTOR

1шт.

2

84161896

HYD TUBE,10 mm OD

1шт.

3

87634393

CHECK VALVE,13/16" - 16 ORB x 13/16" - 16 ORFS

ASSY, Incl 4 - 6

1шт.

4

14437985

O-RING,15.3mm ID x 2.4mm

1шт.

5

NSS

NOT SOLD SEPARAT

Valve, Incl in 3

1шт.

6

14453182

O-RING,0.07" Thk x 0.489" ID, -14, Cl 9, 70 Duro

1шт.

7

14437785

O-RING,11.3mm ID x 2.4mm

Incl in 1

1шт.

8

5185510

O-RING,1.78mm Thk x 9.25mm ID, 85 Duro

Incl in 1

1шт.

9

NSS

NOT SOLD SEPARAT

1шт.

10

82016749

PLUG,11/16-16 ORFS

1шт.

Выбрано товаров: 10