Запчасти Case IH PUMA 220 (55.350.AA) - VAR - 337417, 337418, 337419, 337420, 337421, 337422, 337423, 337424, 337425 - SPEED SENSOR, W/ ANTILOCK BRAKING SYSTEM (ABS) (55) - ELECTRICAL SYSTEMS

Схема запчастей Case IH PUMA 220 - (55.350.AA) - VAR - 337417, 337418, 337419, 337420, 337421, 337422, 337423, 337424, 337425 - SPEED SENSOR, W/ ANTILOCK BRAKING SYSTEM (ABS) (55) - ELECTRICAL SYSTEMS
27.120.ai (03)
2
2
1
2
1
2
27.120.ai (04)
27.120.ai (04)
55.350.ad (03)
27.120.ai (03)
FIT
1:1
100%

Артикул

Название

Примечание

Количество

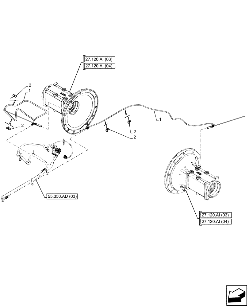
1

84582720

WIRE HARNESS,Rear Wheel Speed Sensor

2шт.

2

82013031

CABLE TIE,193mm L

4шт.

Выбрано товаров: 2