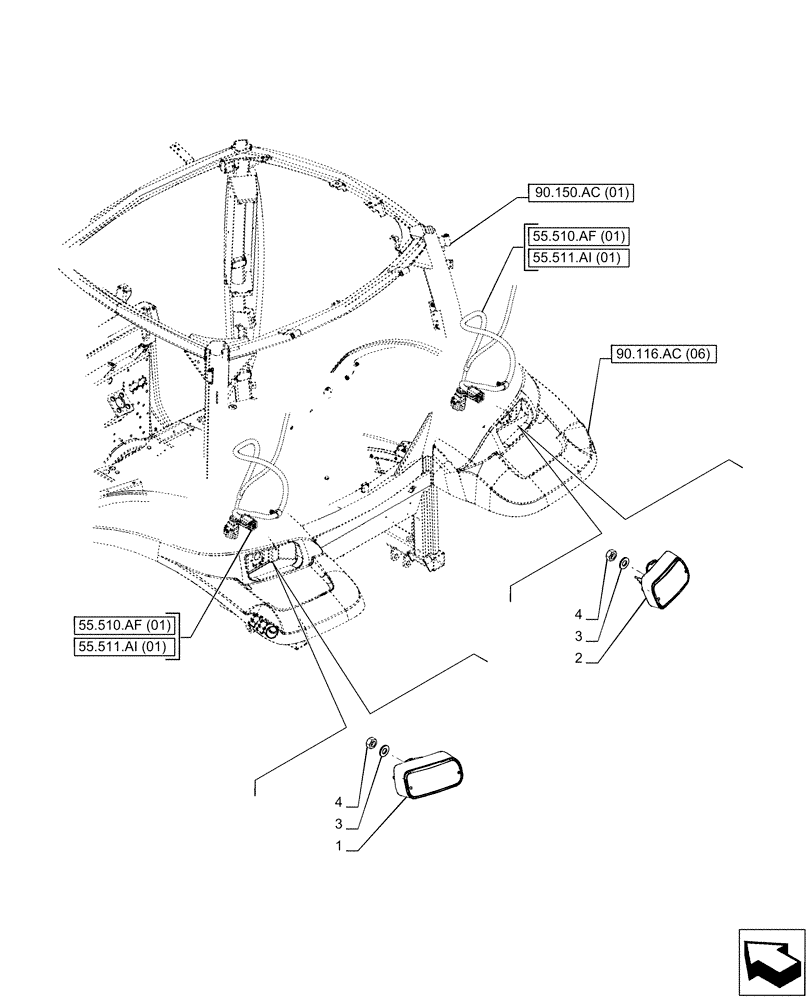
Запчасти Case IH PUMA 220 (55.404.BM[02]) - VAR - 391205, 758338 - TAIL LAMP (55) - ELECTRICAL SYSTEMS

Схема запчастей Case IH PUMA 220 - (55.404.BM[02]) - VAR - 391205, 758338 - TAIL LAMP (55) - ELECTRICAL SYSTEMS
55.511.ai (01)
1
2
4
3
3
4
55.510.af (01)
55.510.af (01)
90.150.ac (01)
90.116.ac (06)
55.511.ai (01)
FIT
1:1
100%

Артикул

Название

Примечание

Количество

1

87536433

TAIL LAMP,12V, 21W, Amber/Red

LH

1шт.

2

87536432

TAIL LAMP,12V, 21W, Amber/Red

RH

1шт.

3

14496401

WASHER,M6.4 x 12.00mm x 1.60mm

4шт.

4

15896211

NUT,M6, Cl 8

4шт.

Выбрано товаров: 4