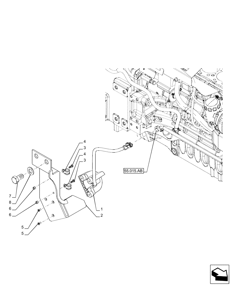
Запчасти Case IH PUMA 220 (55.680.AO[03]) - VAR - 758173, 758176 - RADAR, SENSOR (55) - ELECTRICAL SYSTEMS

Схема запчастей Case IH PUMA 220 - (55.680.AO[03]) - VAR - 758173, 758176 - RADAR, SENSOR (55) - ELECTRICAL SYSTEMS
55.015.ab
3
6
5
5
4
7
1
6
4
3
2
8
FIT
1:1
100%

Артикул

Название

Примечание

Количество

1

84465662

SENSOR

Ground Speed

1шт.

2

84410925

SUPPORT

1шт.

3

86508568

BOLT,Hex, M6 x 1 x 16mm, Cl 8.8

2шт.

4

10441490

COLLAR,14mm, Coat, 7mm Bolt Hole, P Type

14mm

2шт.

5

13301111

SCREW,Pozidriv Flat Hd, Csk, M6 x 12mm, Cl 5.8

3шт.

6

12574211

NUT,M6 x 1, Cl 8

2шт.

7

86624002

BOLT,Hex, M20 x 40mm, Cl 8.8

2шт.

8

14497101

WASHER,M20 x 37 x 3

2шт.

Выбрано товаров: 8