Запчасти Case IH PUMA 220 (55.988.AF[02]) - VAR - 391131, 758001 - ELECTRONIC CONTROL UNIT, COMPONENTS (55) - ELECTRICAL SYSTEMS

Схема запчастей Case IH PUMA 220 - (55.988.AF[02]) - VAR - 391131, 758001 - ELECTRONIC CONTROL UNIT, COMPONENTS (55) - ELECTRICAL SYSTEMS
2
9
9
4
8
5
1
9
3
7
9
4
6
6
FIT
1:1
100%

Артикул

Название

Примечание

Количество

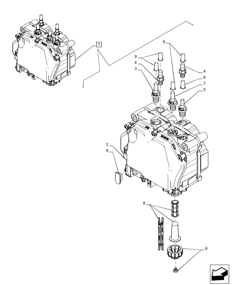
1

47565934

ECU

Denox, Supply, ASSY, Incl 2 - 9

1шт.

1

47565934R

REMAN ELECT CONTROL

Denox Supply

1шт.

1

47565934C

CORE-ELECTRONIC CONT

Return Number

1шт.

2

NSS

NOT SOLD SEPARAT

ECU Denox, Incl in 1

1шт.

3

47364232

SERVICE KIT

Inlet Connector

1шт.

4

47572557

KIT

Coolant Connector

2шт.

5

47364246

KIT

Outlet Connector

1шт.

6

47364064

KIT

Filter Cover

1шт.

7

47364249

KIT

Backflow Connector

1шт.

8

47364243

FILTER

Main, Denox Supply Module

1шт.

9

47364259

KIT

Protective Cap

1шт.

Выбрано товаров: 11