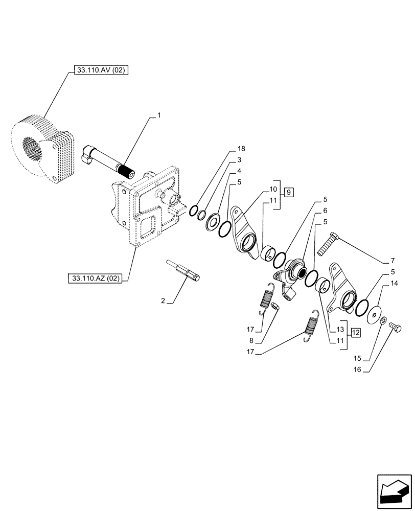
Запчасти Case IH PUMA 220 (33.110.BA[02]) - VAR - 391148 - PARKING BRAKE, HOUSING (33) - BRAKES & CONTROLS

Схема запчастей Case IH PUMA 220 - (33.110.BA[02]) - VAR - 391148 - PARKING BRAKE, HOUSING (33) - BRAKES & CONTROLS
33.110.az (02)
12
9
5
10
1
4
16
5
2
14
7
17
11
15
11
3
5
17
13
6
18
8
5
33.110.av (02)
FIT
1:1
100%

Артикул

Название

Примечание

Количество

1

87740212

LEVER

1шт.

2

87689276

RETAINER

1шт.

3

5198146

SHIM,28.1mm ID x 31.9mm OD x 4mm Thk

1шт.

4

87689269

SHIM,28mm ID x 59mm OD x 3.7mm Thk

1шт.

5

14455080

O-RING,50.52mm ID x 1.78mm

4шт.

6

87689271

HUB

1шт.

7

87741803

SET SCREW,Hex, M16 x 1.25 x 70mm

1шт.

8

10791414

THIN NUT,M16 x 1.5

1шт.

9

87689320

BRAKE LEVER

ASSY, Incl 10, 11 (Q.ty 1)

1шт.

10

NSS

NOT SOLD SEPARAT

Lever, Incl in 9

1шт.

11

87689278

BUSHING,40mm ID x 44mm OD x 20mm L

Bushing, Incl in 12

2шт.

12

87689319

BRAKE LEVER

ASSY, Incl 11, 13 (Q.ty 1)

1шт.

13

NSS

NOT SOLD SEPARAT

Lever, Incl in 12

1шт.

14

87689270

SHIM,12.5mm ID x 59mm OD x 6.7mm Thk

1шт.

15

11190774

BELLEVILLE WASHER,M12 Bolt Size x 24mm OD x 2.8mm Thk

2шт.

16

15540424

SCREW,Hex, M12 x 1.25 x 30mm, Cl 8.8, Full Thd

2шт.

17

84484950

SPRING

2шт.

18

14458080

O-RING,0.103" Thk x 1.11" ID, -122, Cl 5, 75 Duro

1шт.

Выбрано товаров: 18