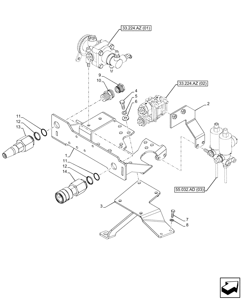
Запчасти Case IH PUMA 220 (33.224.AZ[13]) - VAR - 337488, 337491 - PNEUMATIC TRAILER BRAKE, BRACKET (33) - BRAKES & CONTROLS

Схема запчастей Case IH PUMA 220 - (33.224.AZ[13]) - VAR - 337488, 337491 - PNEUMATIC TRAILER BRAKE, BRACKET (33) - BRAKES & CONTROLS
33.224.az (01)
5
14
12
11
7
10
3
6
1
9
12
2
11
4
8
13
55.032.ad (03)
33.224.az (02)
FIT
1:1
100%

Артикул

Название

Примечание

Количество

1

84157684

SUPPORT

1шт.

2

84143167

SUPPORT

1шт.

3

87554135

SUPPORT

1шт.

4

43127

BOLT,Hex, M8 x 1.25 x 25mm, Cl 8.8

4шт.

5

12601379

WAVE WASHER,Wave, M8.4

4шт.

6

12646701

WASHER,8.15mm ID x 20mm OD x 2mm Thk

4шт.

7

120100

BOLT,M6 x 20mm, Cl 8.8

2шт.

8

10519401

WASHER,6.4mm ID x 11.95mm OD x 1.6mm Thk

2шт.

9

82034157

ADAPTER

2шт.

10

87679177

ADAPTER

2шт.

11

87679174

O-RING,2.4mm Thk x 20.3mm ID, 70 Duro

2шт.

12

87679173

BACK-UP RING,22.10mm, 25.80mm ID x 27.00mm OD x 2.50mm

2шт.

13

87679176

PUSH-PULL COUPLING

1шт.

14

87679175

PUSH-PULL COUPLING

1шт.

Выбрано товаров: 14