Запчасти Case IH PUMA 220 (35.162.AG[03]) - VAR - 758092, 758246 - 3 POINT HITCH, FRONT, W/ COUPLER, CYLINDER, LINE (35) - HYDRAULIC SYSTEMS

Схема запчастей Case IH PUMA 220 - (35.162.AG[03]) - VAR - 758092, 758246 - 3 POINT HITCH, FRONT, W/ COUPLER, CYLINDER, LINE (35) - HYDRAULIC SYSTEMS
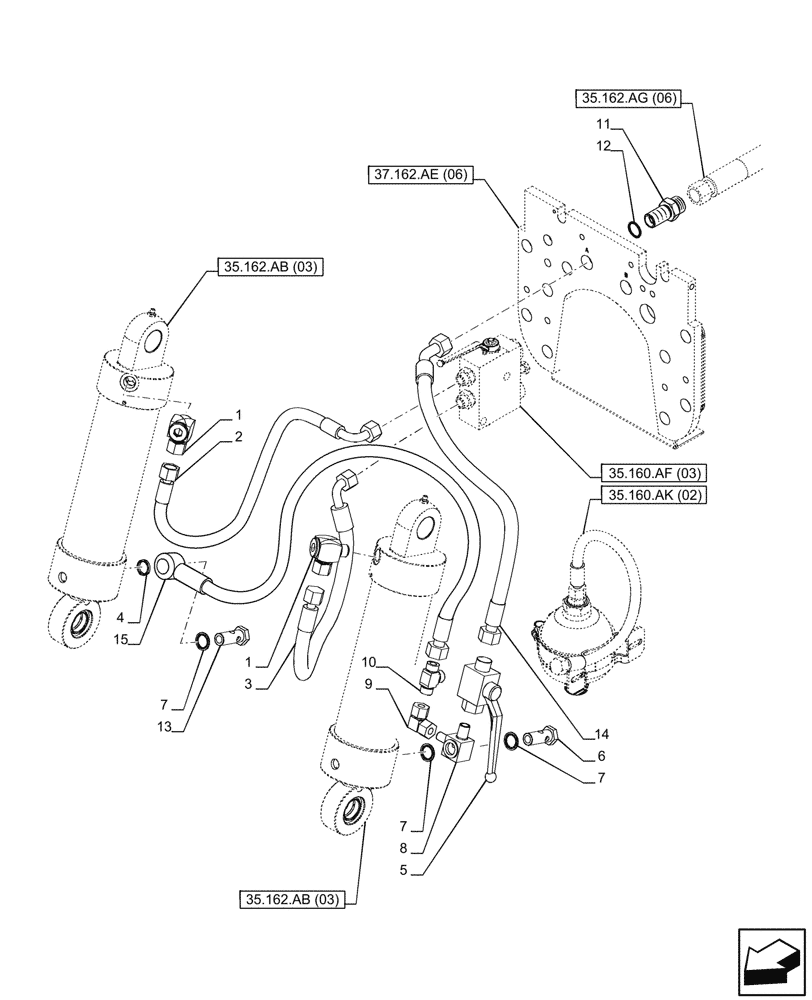
35.160.ak (02)
11
7
5
1
9
6
14
7
2
15
4
3
8
1
12
13
7
10
35.162.ab (03)
35.162.ab (03)
35.160.af (03)
37.162.ae (06)
35.162.ag (06)
FIT
1:1
100%

Артикул

Название

Примечание

Количество

1

84480614

SWIVEL CONNECTION

2шт.

2

84480688

HOSE,10mm ID x 675mm L, SAE 100R16

RH, Cylinder

1шт.

3

84480692

HOSE,10mm ID x 540mm L, SAE 100R16

LH, Cylinder

1шт.

4

84486579

SEAL

1шт.

5

84479480

SHUT-OFF VALVE

Shut Off

1шт.

6

84479823

BANJO BOLT

1шт.

7

87667806

SEALING WASHER,18mm ID x 26mm OD x 1.5mm

3шт.

8

84479771

HYD CONNECTOR

1шт.

9

84479797

ELBOW

1шт.

10

84479766

UNION TEE

1шт.

11

84481139

FITTING

1шт.

12

9992069

O-RING,0.07" Thk x 0.614" ID, -16, Cl 6, 90 Duro

1шт.

13

84480026

BANJO BOLT

1шт.

14

84480701

HOSE,12.5mm ID x 555mm L, SAE 100R16

Shut Off Valve

1шт.

15

84480663

HOSE

Cylinders

1шт.

Выбрано товаров: 15