Запчасти Case IH PUMA 220 (35.162.AG[04]) - VAR - 758093, 758247 - 3 POINT HITCH, FRONT, W/ PTO, W/ COUPLING, CYLINDER, LINE (35) - HYDRAULIC SYSTEMS

Схема запчастей Case IH PUMA 220 - (35.162.AG[04]) - VAR - 758093, 758247 - 3 POINT HITCH, FRONT, W/ PTO, W/ COUPLING, CYLINDER, LINE (35) - HYDRAULIC SYSTEMS
35.160.ak (02)
15
2
9
6
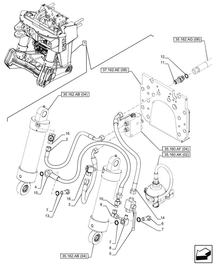
1
11
7
12
7
7
13
16
3
4
5
16
14
8
35.160.af (04)
35.162.ab (04)
35.162.ab (04)
10
37.162.ae (08)
35.162.ag (06)
FIT
1:1
100%

Артикул

Название

Примечание

Количество

1

84474238

HITCH

ASSY, Incl 2 - 16

1шт.

See also Figure 31.142.AF (01), 31.146.AC (03), 35.160.AF (02), 35.160.AK (03), 35.162.AB (02), 37.162.AE (03), 37.162.AE (04), 37.166.AD (01), 55.160.AP (04)

1шт.

2

84480688

HOSE,10mm ID x 675mm L, SAE 100R16

RH, 10mm ID x 675mm, Cylinder

1шт.

3

84480692

HOSE,10mm ID x 540mm L, SAE 100R16

LH, 10mm ID x 640mm, Cylinder

1шт.

4

84486579

SEAL

18 x 23 x 4.5

1шт.

5

84479480

SHUT-OFF VALVE

1шт.

6

84479823

BANJO BOLT

1шт.

7

87667806

SEALING WASHER,18mm ID x 26mm OD x 1.5mm

3шт.

8

84479771

HYD CONNECTOR

1шт.

9

84479797

ELBOW

1шт.

10

84479766

UNION TEE

2шт.

11

84481139

FITTING

1шт.

12

9992069

O-RING,0.07" Thk x 0.614" ID, -16, Cl 6, 90 Duro

1шт.

13

84480026

BANJO BOLT

1шт.

14

84480701

HOSE,12.5mm ID x 555mm L, SAE 100R16

12.5mm ID x 555mm, Shut Off Valve

1шт.

15

84480663

HOSE

10mm ID x 690mm, Cylinders

1шт.

16

84480614

SWIVEL CONNECTION

2шт.

1

84474238

HITCH

ASSY, Incl 2 - 16

1шт.

See also Figure 31.142.AF (02), 31.146.AC (01), 35.160.AF (04), 35.160.AK (02), 35.162.AB (04), 37.162.AE (07), 37.162.AE (08), 37.166.AD (02), 55.160.AP (02)

1шт.

2

84480688

HOSE,10mm ID x 675mm L, SAE 100R16

RH, 10mm ID x 675mm, Cylinder

1шт.

3

84480692

HOSE,10mm ID x 540mm L, SAE 100R16

LH, 10mm ID x 640mm, Cylinder

1шт.

4

84486579

SEAL

18 x 23 x 4.5

1шт.

5

84479480

SHUT-OFF VALVE

1шт.

6

84479823

BANJO BOLT

1шт.

7

87667806

SEALING WASHER,18mm ID x 26mm OD x 1.5mm

3шт.

8

84479771

HYD CONNECTOR

1шт.

9

84479797

ELBOW

1шт.

10

84479766

UNION TEE

1шт.

11

84481139

FITTING

1шт.

12

9992069

O-RING,0.07" Thk x 0.614" ID, -16, Cl 6, 90 Duro

1шт.

13

84480026

BANJO BOLT

1шт.

14

84480701

HOSE,12.5mm ID x 555mm L, SAE 100R16

12.5mm ID x 555mm, Shut Off Valve

1шт.

15

84480663

HOSE

10mm ID x 690mm, Cylinders

1шт.

16

84480614

SWIVEL CONNECTION

2шт.

Выбрано товаров: 34