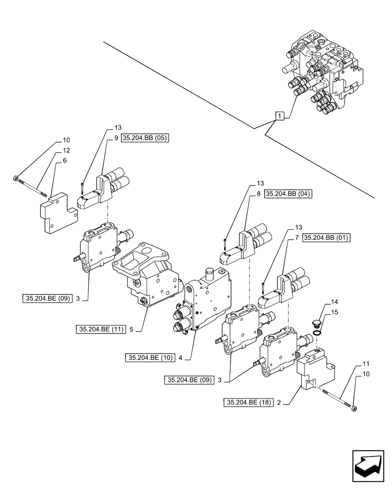
Запчасти Case IH PUMA 220 (35.204.BE[02]) - VAR - 391164 - 3 REMOTE CONTROL VALVES (MHR), COMPONENTS (35) - HYDRAULIC SYSTEMS

Схема запчастей Case IH PUMA 220 - (35.204.BE[02]) - VAR - 391164 - 3 REMOTE CONTROL VALVES (MHR), COMPONENTS (35) - HYDRAULIC SYSTEMS
35.204.be (10)
12
1
13
2
3
13
15
5
7
6
4
10
11
8
14
10
3
9
13
35.204.be (11)
35.204.be (18)
35.204.bb (04)
35.204.bb (05)
35.204.bb (01)
35.204.be (09)
35.204.be (09)
FIT
1:1
100%

Артикул

Название

Примечание

Количество

1

87311372

CONTROL VALVE

ASSY, Incl 2 - 15

1шт.

2

5195157

COVER

ASSY

1шт.

3

87313431

VALVE SECTION

ASSY

3шт.

4

84236339

CONTROL VALVE

ASSY

1шт.

5

47136304

BODY

ASSY

1шт.

6

5190710

PLATE

1шт.

7

87381981

HYDRAULIC MANIFOLD

ASSY, Group 1

1шт.

8

87381982

HYDRAULIC MANIFOLD

ASSY, Group 2

1шт.

9

87381983

HYDRAULIC MANIFOLD

ASSY, Group 3

1шт.

10

5195169

NUT,M8

M8

6шт.

11

5195168

TIE-ROD,M8

2шт.

12

5191753

BOLT

3шт.

13

14305971

HEX SOC SCREW,M6 x 45mm, Cl 12.9

12шт.

14

5191704

CHECK VALVE

1шт.

15

5191705

O-RING,9.4mm D x 2.1mm Thk

9.4 x 2.1

1шт.

Выбрано товаров: 15