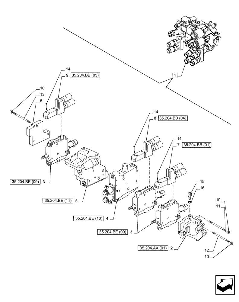
Запчасти Case IH PUMA 220 (35.204.BE[04]) - VAR - 391164 - 3 REMOTE CONTROL VALVES (MHR W/PB), COMPONENTS (35) - HYDRAULIC SYSTEMS

Схема запчастей Case IH PUMA 220 - (35.204.BE[04]) - VAR - 391164 - 3 REMOTE CONTROL VALVES (MHR W/PB), COMPONENTS (35) - HYDRAULIC SYSTEMS
35.204.be (10)
5
1
7
13
14
10
14
16
15
10
3
6
11
2
4
8
12
14
10
9
3
35.204.be (11)
35.204.bb (04)
35.204.ax (01)
35.204.bb (05)
35.204.bb (01)
35.204.be (09)
35.204.be (09)
FIT
1:1
100%

Артикул

Название

Примечание

Количество

1

87311371

CONTROL VALVE

ASSY, Incl 2 - 16

1шт.

2

47135544

HYD VALVE SECTION

ASSY

1шт.

3

87313431

VALVE SECTION

ASSY

3шт.

4

84236339

CONTROL VALVE

ASSY

1шт.

5

47136304

BODY

ASSY

1шт.

6

5190710

PLATE

1шт.

7

87381981

HYDRAULIC MANIFOLD

ASSY, Group 1

1шт.

8

87381982

HYDRAULIC MANIFOLD

ASSY, Group 2

1шт.

9

87381983

HYDRAULIC MANIFOLD

ASSY, Group 3

1шт.

10

5195169

NUT,M8

M8

6шт.

11

5195168

TIE-ROD,M8

2шт.

12

47127002

TIE-ROD

1шт.

13

5191753

BOLT

3шт.

14

14305971

HEX SOC SCREW,M6 x 45mm, Cl 12.9

12шт.

15

5191704

CHECK VALVE

1шт.

16

5191705

O-RING,9.4mm D x 2.1mm Thk

9.4 x 2.1

1шт.

Выбрано товаров: 16