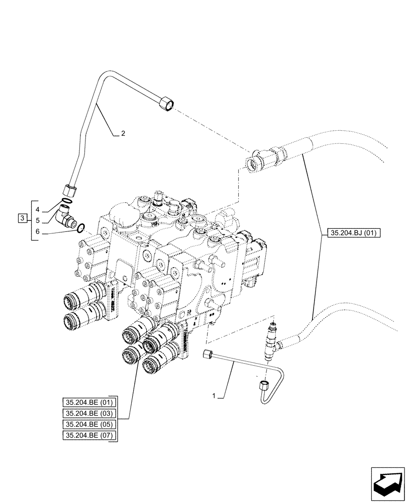
Запчасти Case IH PUMA 220 (35.204.BJ[03]) - VAR - 758072, 758077, 758082 - REMOTE CONTROL VALVE (MHR), LINE (35) - HYDRAULIC SYSTEMS

Схема запчастей Case IH PUMA 220 - (35.204.BJ[03]) - VAR - 758072, 758077, 758082 - REMOTE CONTROL VALVE (MHR), LINE (35) - HYDRAULIC SYSTEMS
35.204.bj (01)
6
5
4
1
2
3
35.204.be (05)
35.204.be (07)
35.204.be (03)
35.204.be (01)
FIT
1:1
100%

Артикул

Название

Примечание

Количество

1

87316456

PIPE

LS

1шт.

2

87316343

PIPE

Supply

1шт.

3

5185052

90 ELBOW,13/16"-16 x M18 x 1.5

ASSY, Incl 3 - 5

1шт.

4

14437985

O-RING,15.3mm ID x 2.4mm

1шт.

5

NSS

NOT SOLD SEPARAT

Elbow, Incl in 3

1шт.

6

5185511

O-RING,1.78mm Thk x 12.42mm ID, 85 Duro

1шт.

Выбрано товаров: 6