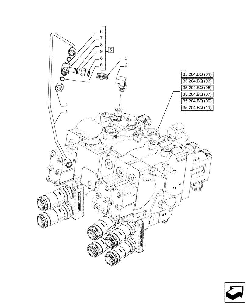
Запчасти Case IH PUMA 220 (35.204.BJ[04]) - VAR - 758072, 758077, 758082 - REMOTE CONTROL VALVE (EHR), LINE (35) - HYDRAULIC SYSTEMS

Схема запчастей Case IH PUMA 220 - (35.204.BJ[04]) - VAR - 758072, 758077, 758082 - REMOTE CONTROL VALVE (EHR), LINE (35) - HYDRAULIC SYSTEMS
35.204.bq (03)
1
8
2
6
4
8
3
9
6
5
7
35.204.bq (09)
35.204.bq (01)
35.204.bq (07)
35.204.bq (05)
35.204.bq (11)
FIT
1:1
100%

Артикул

Название

Примечание

Количество

1

87735091

HYD TUBE

LS

1шт.

2

87736553

HYD CONNECTOR

1шт.

3

86593173

HYD CONNECTOR,9/16"-18 ORFS x M12 x 1.5 ORB

1шт.

4

5189973

PLUG

1шт.

5

82018814

CHECK VALVE,9/16" - 18 JIC x 9/16" - 18 ORFS x 9/16" - 18 ORFS

ASSY, Incl 6 - 9

1шт.

6

9825770

O-RING,0.07" Thk x 0.301" ID, -11, Cl 6, 90 Duro

2шт.

7

NSS

NOT SOLD SEPARAT

Body, Incl in 5

1шт.

8

165202

O-RING,0.072" Thk x 0.351" ID, -904, Cl 6, 90 Duro

2шт.

9

NSS

NOT SOLD SEPARAT

Connector, Incl in 5

1шт.

Выбрано товаров: 9