Запчасти Case IH PUMA 220 (35.322.AY[02]) - VAR - 391137, 758017, 758018, 758019, 758020, 758021 - TRANSMISSION, LOW PRESSURE, LINE (35) - HYDRAULIC SYSTEMS

Схема запчастей Case IH PUMA 220 - (35.322.AY[02]) - VAR - 391137, 758017, 758018, 758019, 758020, 758021 - TRANSMISSION, LOW PRESSURE, LINE (35) - HYDRAULIC SYSTEMS
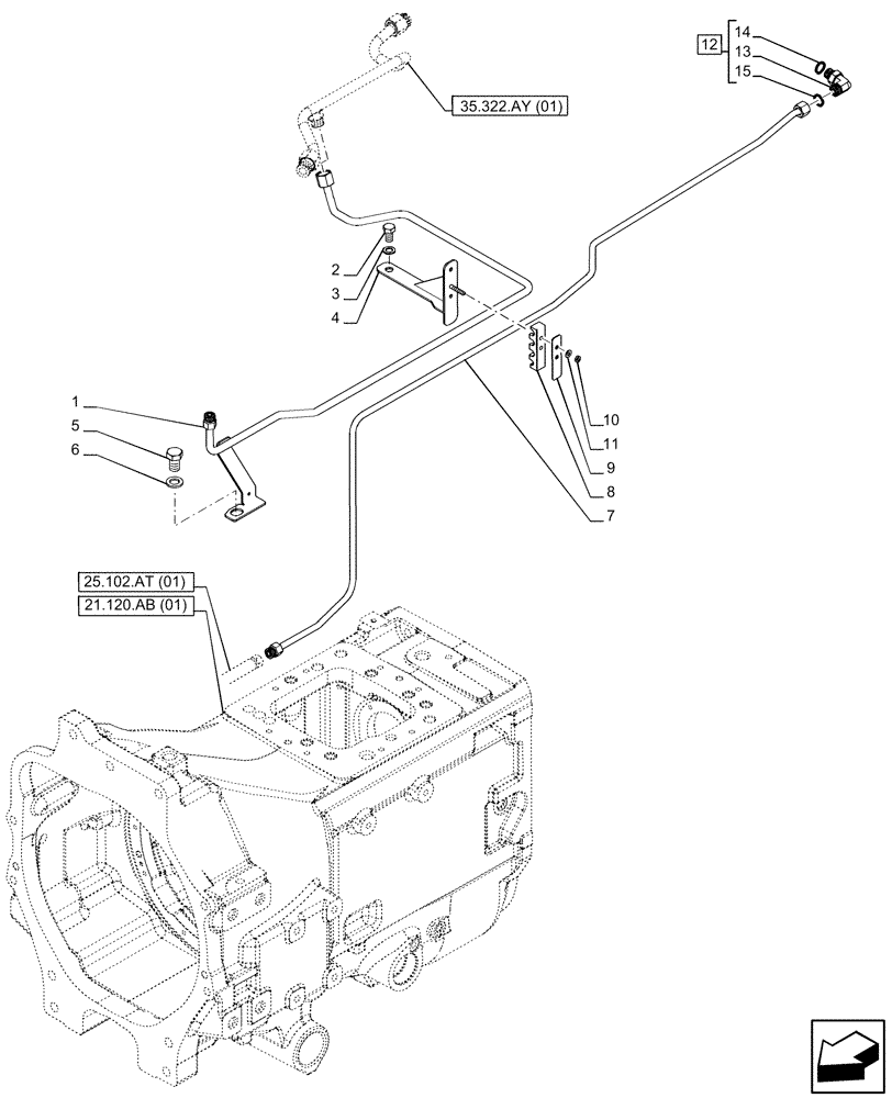
35.322.ay (01)
4
10
1
3
13
7
11
14
6
2
5
8
12
15
9
25.102.at (01)
21.120.ab (01)
FIT
1:1
100%

Артикул

Название

Примечание

Количество

1

47675091

PIPE

Booster Brake

1шт.

2

86637972

BOLT,Hex, M12 x 1.25 x 20mm, Cl 8.8, Full Thd

1шт.

3

13507421

WASHER,12.2mm ID x 20mm OD x 2mm Thk

1шт.

4

47367522

BRACKET

1шт.

5

374888

BOLT,Hex, M16 x 2 x 25mm, Cl 8.8, Full Thd

1шт.

6

10520201

WASHER,16.4mm ID x 28mm OD x 3mm Thk

1шт.

7

47366080

PIPE

Front Differential Lock

1шт.

8

47593944

PIPE CLAMP

1шт.

9

47593945

PLATE

1шт.

10

10725914

LOCK NUT,M6 x 1, Cl 04

2шт.

11

13550201

WASHER,6.15mm ID x 13mm OD x 1mm Thk

2шт.

12

86579687

ELBOW,90 Degree, 11/16"-16 x M16 x 1.5 ORB

ASSY, Incl 13 - 15

1шт.

13

NSS

NOT SOLD SEPARAT

Elbow, Incl in 12

1шт.

14

86598100

O-RING,2.2mm Thk x 13.3mm ID, Cl 6, 90 Duro

1шт.

15

9993141

O-RING,0.07" Thk x 0.364" ID, -12, Cl 6, 90 Duro

1шт.

Выбрано товаров: 15