Запчасти Case IH PUMA 220 (35.322.AY[08]) - VAR - 338397, 337426, 337428, 337429, 337430, 337431, 337432 - TRANSMISSION, LOW PRESSURE, LINE, ANTILOCK BRAKING SYSTEM (ABS) (35) - HYDRAULIC SYSTEMS

Схема запчастей Case IH PUMA 220 - (35.322.AY[08]) - VAR - 338397, 337426, 337428, 337429, 337430, 337431, 337432 - TRANSMISSION, LOW PRESSURE, LINE, ANTILOCK BRAKING SYSTEM (ABS) (35) - HYDRAULIC SYSTEMS
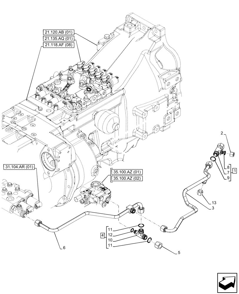
31.104.ar (01)
11
12
2
10
8
13
11
7
1
3
21.118.af (08)
5
4
9
6
35.100.az (02)
21.135.aq (01)
21.120.ab (01)
35.100.az (01)
FIT
1:1
100%

Артикул

Название

Примечание

Количество

1

84606880

TEE,11/16"-16 ORFS x 1"-14 ORFS x 1"-14

ASSY, Incl 7 - 9

1шт.

2

9625546

CAP,11/16" - 16 ORFS

1шт.

3

47677437

HYD TUBE

Transmission

1шт.

4

47480712

TEE

ASSY, Incl 10 - 12

1шт.

5

9840576

CAP,1" - 14 ORFS

1шт.

6

47677443

HYD TUBE

Supply Manifold

1шт.

7

NSS

NOT SOLD SEPARAT

Tee, Incl in 1

1шт.

8

9993141

O-RING,0.07" Thk x 0.364" ID, -12, Cl 6, 90 Duro

1шт.

9

9992069

O-RING,0.07" Thk x 0.614" ID, -16, Cl 6, 90 Duro

1шт.

10

NSS

NOT SOLD SEPARAT

Tee, Incl in 4

1шт.

11

5185512

O-RING,0.07" Thk x 0.614" ID, -16, Cl 6, 90 Duro

1шт.

12

14437985

O-RING,15.3mm ID x 2.4mm

1шт.

13

9840575

CAP,13/16" - 16 ORFS

1шт.

Выбрано товаров: 13