Запчасти Case IH PUMA 220 (55.032.AD[02]) - VAR - 337481, 337482, 337484, 337487, 337488, 337491, 758038, 758039, 758041, 758042, 758043, 758044 - PNEUMATIC TRAILER BRAKE, SOLENOID (55) - ELECTRICAL SYSTEMS

Схема запчастей Case IH PUMA 220 - (55.032.AD[02]) - VAR - 337481, 337482, 337484, 337487, 337488, 337491, 758038, 758039, 758041, 758042, 758043, 758044 - PNEUMATIC TRAILER BRAKE, SOLENOID (55) - ELECTRICAL SYSTEMS
33.224.az (05)
4
1
2
4
3
3
2
5
9
7
5
1
6
33.032.ac (03)
8
9
8
33.224.az (04)
33.224.az (07)
FIT
1:1
100%

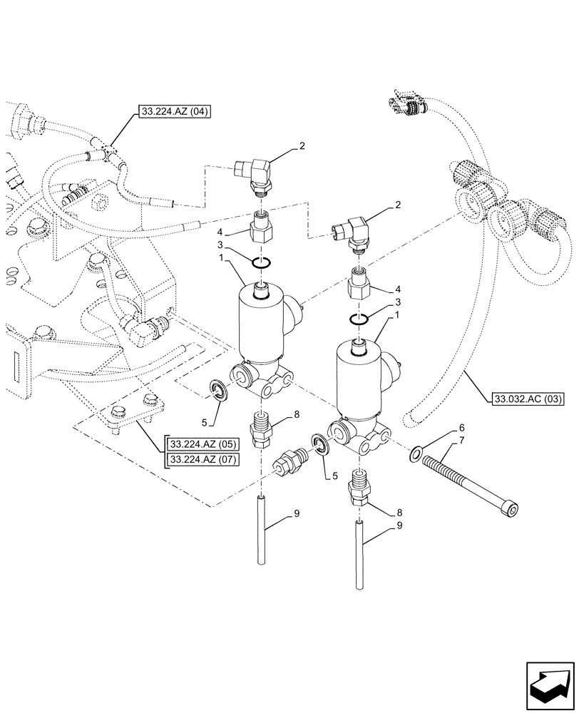
Артикул

Название

Примечание

Количество

1

84359255

SOLENOID VALVE,1.41A, 12 VDC,

2шт.

2

87678122

HYD CONNECTOR,M10 x 1

2шт.

3

82019799

O-RING

1шт.

4

87678127

HYD CONNECTOR,M10 x 1, M12 x 1.5

2шт.

5

5183780

SEALING WASHER,9.73mm ID x 18mm OD x 1.5mm Thk

1шт.

6

10516679

LOCK WASHER,Helical Spring, 8.20mm ID x 14.80mm OD x 2.20mm, C72, ZNM

2шт.

7

14302124

HEX SOC SCREW,M8 x 1.25 x 100mm, Cl 8.8

2шт.

8

82006828

ADAPTER

3шт.

9

82019793

HOSE,6.00mm OD x 70.00mm

2шт.

Выбрано товаров: 9