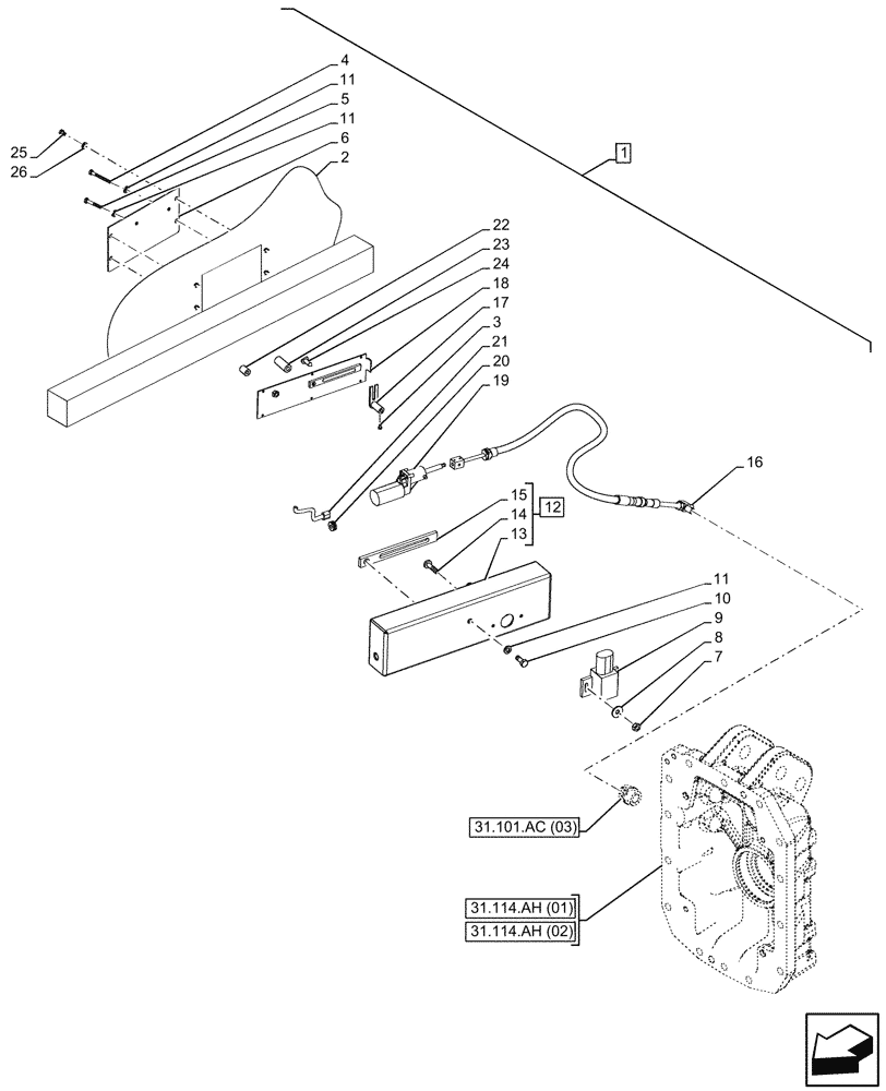
Запчасти Case IH PUMA 220 (55.048.AM[01]) - VAR - 338181, 338182, 391145, 758028, 758029 - SHIFTABLE PTO, CONTROLS (55) - ELECTRICAL SYSTEMS

Схема запчастей Case IH PUMA 220 - (55.048.AM[01]) - VAR - 338181, 338182, 391145, 758028, 758029 - SHIFTABLE PTO, CONTROLS (55) - ELECTRICAL SYSTEMS
31.114.ah (01)
11
18
12
7
6
2
20
9
13
5
11
19
21
17
3
8
11
23
16
26
22
1
15
24
10
14
4
25
31.101.ac (03)
31.114.ah (02)
FIT
1:1
100%

Артикул

Название

Примечание

Количество

1

47611612

ACTUATOR

ASSY, Incl 2 - 24

1шт.

2

NSS

NOT SOLD SEPARAT

Box, Incl in 1

1шт.

3

13271911

SCREW,Pozidriv Pan Hd, M4 x 10mm, Cl 5.8, Full Thd

1шт.

4

10903721

BOLT,Hex, M6 x 55mm, Cl 8.8

1шт.

5

43118

BOLT,Hex, M6 x 1.0 x 40mm, Cl 8.8

1шт.

6

87754493

COVER

1шт.

7

100012

NUT,M4 x 0.7, Cl 8

2шт.

8

12642801

WASHER,4.15mm ID x 12mm OD x 1mm Thk

2шт.

9

87754538

SENSOR

1шт.

10

86508568

BOLT,Hex, M6 x 1 x 16mm, Cl 8.8

1шт.

11

86588450

WASHER,6.6mm ID x 12mm OD x 1.6mm Thk

3шт.

12

87724340

BOX

ASSY, Incl 13 - 15

1шт.

13

NSS

NOT SOLD SEPARAT

Box, Incl in 12

1шт.

14

13272214

SCREW,Pozidriv Pan Hd, M4 x 16mm, Cl 5.8, Full Thd

2шт.

15

NSS

NOT SOLD SEPARAT

Guide, Incl in 12

1шт.

16

47609976

CABLE

1шт.

17

87734744

FORK

1шт.

18

87724337

COVER

1шт.

19

87724333

ELECTRIC MOTOR

1шт.

20

10399580

GROMMET,8mm ID x 14mm GRV ø x 20mm OD x 8mm Thk

1шт.

21

87754496

WIRE HARNESS

1шт.

22

13604311

SPACER,6.5mm ID x 15mm OD x 20mm L

1шт.

23

13606411

SPACER,9mm ID x 18mm OD x 40mm L

1шт.

24

15688004

SCREW,Pan Hd, M8 x 13

6шт.

25

10519407

WASHER,6.4mm ID x 11.95mm OD x 1.6mm Thk

4шт.

26

10902021

BOLT,Hex, M6 x 12mm, Cl 8.8

4шт.

Выбрано товаров: 0