Запчасти Case IH 9370 QUADTRAC (6-068) - UNDERCARRIAGE MOUNT (06) - POWER TRAIN

Схема запчастей Case IH 9370 QUADTRAC - (6-068) - UNDERCARRIAGE MOUNT (06) - POWER TRAIN
3
15
9
16
11
23
10
24
6
26
21
15
4
25
12
10
6
14
8
8
17
8
2
5
16
6
19
15
1
20
7
6
15
3
22
FIT
1:1
100%

Артикул

Название

Примечание

Количество

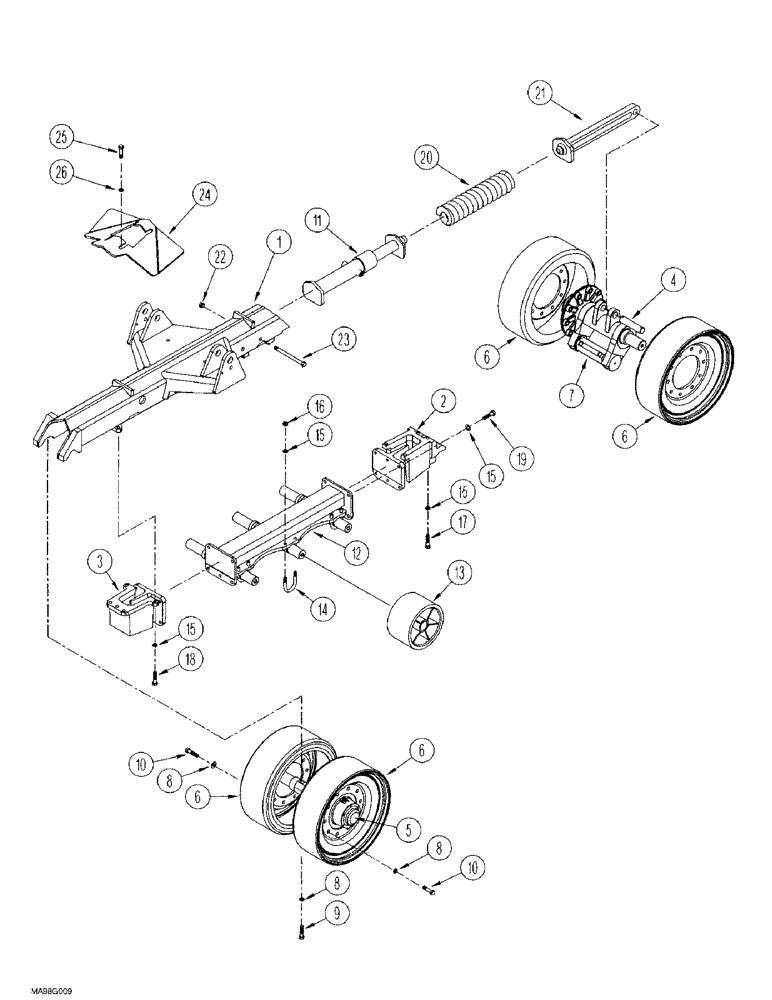
1

245799A2

FRAME

MOUNT - undercarriage

4шт.

Ref: 1 Models built after 03/01/99 the dirt shield item 24 is considered a factory option and these units were Ref: 24 Now available P/N 245799A3 undercarriage mount that contains a protective shield and rod for the tensioner cyl. plumbing. This is for the customers who prefer not to have the dirt shield. Per ECN F990013

1шт.

2

245467A1

MOUNTING PARTS

MOUNT - front

4шт.

ref: 2 new front mount p/n 365744A1 mount which also requires (1) 244916A2 pivot idler shaft (2) 827-22110 22 MM bolts (2) 827-16110 16mm bolts and (2) 896-11022 washers per ECN F990756. NAPO TECH NOTE

1шт.

3

245472A1

MOUNTING PARTS

MOUNT - rear

4шт.

4

221548A1

PIN

- idler, front

2шт.

Ref: 4 - Later units changed design where the track tensioner cyl. link will be held in with a retaining ring in lieu of roll pins. This changes this idler pin to p/n 329647A1 on later units. ecn f98783 NAPO tech note

1шт.

5

195108A2

AXLE

ASSEMBLY - idler, rear, parts list Figure 6-072

4шт.

6

199761A2

WHEEL

- idler, rubberized

16шт.

6

47497780R

REMAN-WHEEL IDLER

16шт.

6

47497780C

CORE-WHEEL IDLER

Return Number

16шт.

7

195104A2

DRIVE SPROCKET

AXLE ASSEMBLY - idler, front, parts list Figure 6-070

4шт.

8

896-11020

WASHER,22mm ID x 37mm OD x 4mm Thk

- flat, 22 x 37 x 4 mm, hardened

176шт.

9

827-22110

BOLT,Hex, M22 x 2.5 x 110mm, Cl 10.9

(Replaces 827-20110) Hex, M22 x 110, 10.9

16шт.

Ref: 9 - Same bolt used to attach item 7 to undercarrage. qty in parts book is correct.

1шт.

Ref: 9 - m22 x 110 10.9 bolt per ECN F990259 NAPO TECH NOTE

1шт.

10

627-20050

BOLT,Hex, M20 x 2.5 x 50mm, Cl 10.9, Full Thd

- hex, full threads, 20 - 2.5 x 50 mm, class 10.9

160шт.

Ref: 10 627-20050 Bolt torque changed to 419-464 n-m (309-342 ft.lb)

1шт.

11

255832A2

TENSIONER

CYLINDER - tensioner, track, parts list Figure 8-108

4шт.

12

246585A1

MOUNTING PARTS

MOUNT - roller wheel

4шт.

13

231764A3

ROLLER, TRACK

WHEEL ASSEMBLY - roller, parts list Figure 6-074

12шт.

14

231765A1

U-BOLT,M16 x 2 x 30mm Threaded, x 80.2mm W

- special

24шт.

15

896-15016

WASHER,17.5mm ID x 34mm OD x 5mm Thk

132шт.

16

832-46416

NUT,M16 x 2, Cl 8

NUT - hex, self-locking, 16 mm - 2.0

48шт.

17

827-16180

BOLT,Hex, M16 x 2 x 180mm, Cl 10.9

- hex, 16 - 2.0 x 180 mm, class 10.9

8шт.

18

827-16110

BOLT,Hex, M16 x 2 x 110mm, Cl 10.9

- hex, full threads, 16 - 2.0 x 50 mm, class 10.9 (Replaces 627-16050)

28шт.

Ref: 18 - M16 x 110 Bolt per ECN F990259 NAPO TECH NOTE

1шт.

19

627-16040

BOLT,Hex, M16 x 2 x 40mm, Cl 10.9, Full Thd

48шт.

20

255729A1

SPRING

- tensioner, undercarriage

4шт.

21

255096A1

LINKAGE

CARRIER - tensioner, cylinder

4шт.

22

832-46420

NUT,M20 x 2.5, Cl 8

NUT, M20 x 2.5, Cl 8

4шт.

23

827-20190

BOLT,Hex, M20 x 2.5 x 190mm, Cl 10.9

- hex, 20 - 2.5 x 190 mm, class 10.9

4шт.

24

255003A2

SHIELD

- dirt

4шт.

25

627-16025

BOLT,Hex, M16 x 2 x 25mm, Cl 10.9, Full Thd

- hex, full threads, 16 - 2.0 x 35 mm, class 10.9 (Replaces 627-16035)

16шт.

Ref: 25 - M16-2 Bolt per ECN F990013 NAPO TECH the tensioner cyl. plumbing. This is for the customers who prefer not to have the dirt shield. Per ECN F990013

1шт.

26

896-15016

WASHER,17.5mm ID x 34mm OD x 5mm Thk

16шт.

Выбрано товаров: 36