Запчасти Case IH 9370 QUADTRAC (6-084) - AXLE ASSEMBLY, AXLE CARRIER (06) - POWER TRAIN

Схема запчастей Case IH 9370 QUADTRAC - (6-084) - AXLE ASSEMBLY, AXLE CARRIER (06) - POWER TRAIN
14
17
20
20
2
10
4
6
9
1
19
12
3
23
13
7
16
8
18
5
15
11
FIT
1:1
100%

Артикул

Название

Примечание

Количество

329957A1

AXLE HOUSING

AXLE ASSEMBLY - bar, front, replaces 237821A2 axle, prior to P.I.N. JEE0072874, parts list Figures 6-084 - 6-094, Includes: Ref. 1 - 24

1шт.

302668A1R

REMAN-FRT AXLE wo DL

Reman-Front Axle Remanufactured - Axle - 9300 Series QT - Front - 4" Axle, Prior to Tractor S/N JEE0072874,

1шт.

302668A1C

CORE-FRONT AXLE

Return Part Number

1шт.

329958A1

AXLE HOUSING

AXLE ASSEMBLY - bar, rear, replaces 237823A2 axle, prior to P.I.N. JEE0072874, parts list Figures 6-084 - 6-094, Includes: Ref. 1 - 24

1шт.

302669A1R

REMAN-REAR AXLE

Reman - Axle - 9300 Series QT - Rear - 4" Axle, Prior to Tractor S/N JEE0072874,

1шт.

302669A1C

CORE-REAR AXLE

Return Part Number

1шт.

302668A1

AXLE HOUSING

AXLE ASSEMBLY - bar, front, P.I.N. JEE0072874 and after, parts list Figures 6-084 - 6-094, Includes: Ref. 1 - 24

1шт.

302668A1R

REMAN-FRT AXLE wo DL

Reman-Front Axle Remanufactured - Axle - 9300 Series QT - Front - 4.5" Axle, Tractor S/N JEE0072874 & After

1шт.

302668A1C

CORE-FRONT AXLE

Return Part Number

1шт.

302669A1

AXLE HOUSING

AXLE ASSEMBLY - bar, rear, P.I.N. JEE0072874 and after, parts list Figures 6-084 - 6-094, Includes: Ref. 1 - 24

1шт.

302669A1R

REMAN-REAR AXLE

Remanufactured - AXLE - 9300 Series QT - Rear - 4.5" Axle, Tractor S/N JEE0072874 & After,

1шт.

302669A1C

CORE-REAR AXLE

Return Part Number

1шт.

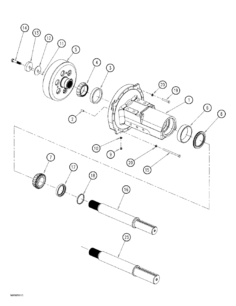
1

251888A2

HOUSING

HOUSING - axle

1шт.

Part of track drive kit P/N 253975A3

1шт.

2

837-16040

DOWEL,M16 x 40

PIN - dowel, 16 x 40 mm, hardened

2шт.

3

328594A1

BEARING, CUP,190.51mm OD x 34.82mm W

CUP - tapered roller bearing, replaces 224864A1 cup

1шт.

Part of track drive kit P/N 253975A3

1шт.

4

328595A1

ROLLER BEARING,120.66mm ID x 45.95mm W

CONE - tapered roller bearing, replaces 224863A1 cone

1шт.

Part of track drive kit P/N 253975A3

1шт.

5

305718A1

PINION

GEAR - bull, internal, replaces 237133A2 gear

1шт.

Part of track drive kit P/N 253975A3

1шт.

6

237698A1

BEARING CUP,212.74mm OD x 53.87mm W

CUP - tapered roller bearing

1шт.

Part of track drive kit P/N 253975A3

1шт.

7

237700A1

TAPERED BEARING,114.3127 mm ID x 66.7766 mm

CONE - tapered roller bearing

1шт.

Part of track drive kit P/N 253975A3

1шт.

8

239942A2

OIL SEAL

SEAL - oil

1шт.

Part of track drive kit P/N 253975A3

1шт.

9

221578A1

PLUG,M18 x 1.5 ORB

PLUG, , Replaces 254744A1 plug, Includes Ref. 10 Hex Soc, M18 x 1.5, ORB

1шт.

10

637-63113

O-RING,2.2mm Thk x 11.3mm ID, Cl 6

O-RING, Cl 6, 11.3MM ID x 2.2 Thk

1шт.

11

37-1512

DOWEL,5/16" x 3/4"

PIN - dowel, 5/16 x 3/4 inch, hardened

1шт.

Part of track drive kit P/N 253975A3

1шт.

12

195194A2

SHIM

SHIM - axle bearing, front and rear axles

1шт.

Part of track drive kit P/N 253975A3

1шт.

12

195196A2

SHIM

SHIM - axle bearing, front and rear axles

1шт.

Part of track drive kit P/N 253975A3

1шт.

12

195197A2

SHIM

SHIM - axle bearing, front and rear axles

1шт.

Part of track drive kit P/N 253975A3

1шт.

12

258936A1

SHIM,26mm ID x 85mm OD x 0.5mm Thk

SHIM - axle bearing, front and rear axles

1шт.

Part of track drive kit P/N 253975A3

1шт.

13

195192A4

LARGE PLATE

PLATE, LARGE PLATE - retainer, bull gear

1шт.

Part of track drive kit P/N 253975A3

1шт.

14

275660A1

BOLT

BOLT - special, M24 x 120 mm long, prior to P.I.N. JEE0072874

1шт.

Part of track drive kit P/N 253975A3

1шт.

14a

333723A1

BOLT

BOLT - hex, with LOCTITE, M16 x 100 mm long, P.I.N. JEE0072874

1шт.

15

333724A1

BOLT

BOLT - hex, mounting right-hand, with LOCTITE, M16 x 250 mm long

2шт.

15

828-16220

BOLT,Hex, M16 x 2 x 220mm, Cl 10.9

BOLT - hex, 16 - 2.0 x 220 mm, class 10.9, Mounting LH

2шт.

253813A4

AXLE ASSEMBLY - track, prior to P.I.N. JEE0072874, Includes: Ref. 16 - 18

1шт.

16

NSS

NOT SOLD SEPARAT

SHAFT - axle

1шт.

17

341812A1

BUSHING

BUSHING - Spacer

1шт.

18

238-5246

O-RING,0.139" Thk x 4.484" ID, -246, Cl 5, 75 Duro

O-RING, -246, 70 Duro, 4.484" ID x .139" Thk

1шт.

333723A1

BOLT

BOLT - hex, with LOCTITE

1шт.

19

828-16100

BOLT,Hex, M16 x 2 x 100mm, Cl 10.9

BOLT - hex, 16 - 2.0 x 100 mm, class 10.9

3шт.

20

896-12016

WASHER,17.5mm ID x 30mm OD x 4mm Thk

WASHER - flat, 17.5 x 30 x 4 mm, hardened

36шт.

21

221578A1

PLUG,M18 x 1.5 ORB

PLUG, , Axle housing LH, Not Shown, Includes Ref. 22 Hex Soc, M18 x 1.5, ORB

1шт.

22

637-63153

O-RING,2.2mm Thk x 15.3mm ID, Cl 6, 90 Duro

O-RING, Cl 6, 15.3MM ID x 2.2 Thk, Not Shown

1шт.

311065A2

AXLE

AXLE ASSEMBLY - track, P.I.N. JEE0072874 and after, Includes: Ref. 23 & 24

1шт.

Part of track drive kit P/N 253975A3

1шт.

23

NSS

NOT SOLD SEPARAT

SHAFT - axle

1шт.

24

341812A1

BUSHING

BUSHING - spacer

1шт.

253975A3

AXLE CARRIER

KIT - drive, track, Includes: Refs. 1, 3 - 8, 11 - 14 and P/N 311065A2

1шт.

Выбрано товаров: 60