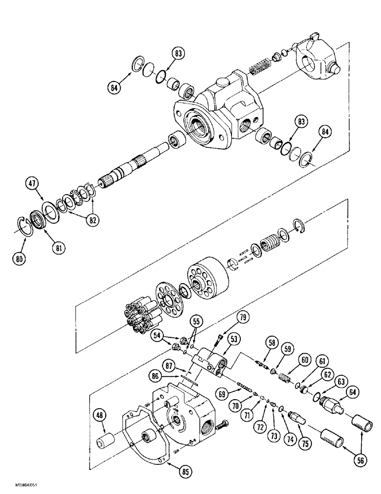
Запчасти Case IH 9370 QUADTRAC (8-016) - HYDRAULIC PISTON PUMP ASSEMBLY (CONTD) (08) - HYDRAULICS

Схема запчастей Case IH 9370 QUADTRAC - (8-016) - HYDRAULIC PISTON PUMP ASSEMBLY (CONTD) (08) - HYDRAULICS
64
79
70
69
73
83
80
85
56
62
53
84
61
75
81
58
87
71
54
82
84
83
59
48
47
86
63
55
72
60
74
FIT
1:1
100%

Артикул

Название

Примечание

Количество

50-3547T92

PUMP,45.39 CC

ASSEMBLY - piston, Includes: Ref. 47 - 87 and 1 - 43 on Figue 8-014

1шт.

50-3547T92R

REMAN-HYD PUMP

QUADTRAC®

1шт.

50-3547T92C

CORE-HYDRAULIC PUMP

Return Number

1шт.

47

D66330

WASHER

- flat, special, 1-19/32 x 2 x 5/64 inch

1шт.

48

50-2802T1

PISTON

- control, cam plate

1шт.

50-3608T91

EQUALIZER

COMPENSATOR ASSEMBLY - pump, Includes: Ref. 53 - 75

1шт.

53

NSS

NOT SOLD SEPARAT

BODY - compensator

1шт.

54

218-5152

PLUG,Hex Hd, 3/8"-24 ORB

Includes Ref. 55 Hex Hd, 3/8"-24 ORB

2шт.

55

1971623C1

O-RING,0.064" Thk x 0.301" ID, -903, Cl 6, 90 Duro

- 19/64 ID x 1/16 inch wide

2шт.

Part of seal kit P/N 50-2825T91

1шт.

56

50-3601T1

COVER

- adjusting screw

2шт.

58

NSS

NOT SOLD SEPARAT

SPOOL - pressure

1шт.

59

50-2814T1

SPRING SEAT

CAP - spring pivot

1шт.

60

A45144

SPRING

- spool

1шт.

61

238-7113

O-RING,0.103" Thk x 0.549" ID, -113, Cl 7, 75 Duro

1шт.

Part of seal kit P/N 50-2825T91

1шт.

62

50-2817T1

PISTON

FOLLOWER - pressure spring

1шт.

63

238-5118

O-RING,0.103" Thk x 0.862" ID, -118, Cl 5, 75 Duro

1шт.

64

50-2819T1

CAP

- pressure adjuster

1шт.

69

NSS

NOT SOLD SEPARAT

SPOOL - flow

1шт.

70

50-2820T1

SPRING SEAT

PIVOT - spring

1шт.

71

50-2821T1

SPRING

- spool

1шт.

72

50-2822T1

O-RING

- seal

1шт.

Part of seal kit P/N 50-2825T91

1шт.

73

50-2823T1

PISTON

FOLLOWER - flow spring

1шт.

75

50-2824T1

CAP

- flow adjuster

1шт.

79

61-32520

HEX SOC SCREW,1/4"-20 x 1 1/4"

BOLT - hex socket, 1/4 NC x 1-1/4 inch

4шт.

80

103-21200

SNAP RING,2", Int, #200

Ring, Snap, 2", Int, #200

1шт.

Part of seal kit P/N 50-2825T91

1шт.

81

D73667

SEAL,28.57mm ID x 50.98mm OD x 6.35mm Thk

- shaft, drive

1шт.

Part of seal kit P/N 50-2825T91

1шт.

82

103-11112

SNAP RING,#112, Ext

Ring, Snap, #112, Ext

2шт.

Part of seal kit P/N 50-2825T91

1шт.

83

238-5127

O-RING,0.103" Thk x 1.424" ID, -127, Cl 5, 75 Duro

2шт.

Part of seal kit P/N 50-2825T91

1шт.

84

100-21162

SNAP RING,1.625", Int, #162

Ring, Snap, 1.625", Int, #162

2шт.

Part of seal kit P/N 50-2825T91

1шт.

85

N7804

GASKET

- housing

1шт.

Part of seal kit P/N 50-2825T91

1шт.

86

1266917C1

GASKET

- compensator

1шт.

Part of seal kit P/N 50-2825T91

1шт.

87

50-2809T1

O-RING

- compensator

1шт.

Part of seal kit P/N 50-2825T91

1шт.

50-2825T91

SEAL KIT

KIT - seal, Includes: Ref. 55, 61, 72, 74 and 80 - 87

1шт.

74

237-6006

O-RING,0.078" Thk x 0.468" ID, -906, Cl 6, 90 Duro

6-1, 90 Duro, .468" ID x .078" Thk

1шт.

Part of seal kit P/N 50-2825T91

1шт.

Выбрано товаров: 46